- шлицевые соединения приводного вала очистите и обработайте смазочным материалом G 000 100;
- если был снят ведомый диск, то его нужно надеть на шлиц первичного вала коробки передач и проверить, насколько он легко скользит вперед-назад по валу;
- при установке коробки передач проверьте правильность расположения промежуточной пластины двигателя и наденьте коробку передач на направляющие втулки;
- проверьте, имеются ли в блоке цилиндров направляющие втулки для центрирования его с коробкой передач. В противном случае выньте направляющие втулки из коробки передач и вставьте их в блок цилиндров;
- поднимите коробку передач на автомобильном домкрате, выставьте ее в правильное положение, заведите в сцепление и наденьте на направляющие втулки двигателя. В случае, если при установке первичный вал коробки передач не входит в шлицы ступицы ведомого диска сцепления, попросите помощника немного повернуть от руки коленчатый вал вперед-назад, потянув для этого за клиновой ремень. Как только коробка передач окажется напротив двигателя, вверните и легко затяните один из болтов крепления;
- вверните остальные болты крепления коробки передач, расположенные на нижней поверхности и затяните их моментом 80 Н·м;
- установите стартер, заверните его болты крепления и затяните их моментом 45 Н·м;
Рис. 246. Места расположения болтов крепления (показаны стрелками) кронштейна подвески на коробке передач
- смонтируйте крепление кронштейна (рис. 246) подвески коробки передачи и предварительно заверните болты от руки;
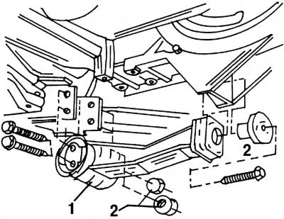
Рис. 245. Места расположения болтов (1 и 2) крепления подвески коробки передач
- отрегулируйте положение двигателя и коробки передач относительно друг друга и заверните от руки крепление подвески (рис. 245);
Рис. 244. Крепление балансирной (маятниковой) подвески коробки передач: 1 - балансирная подвеска; 2 - болты и гайки крепления балансирной подвески
- смонтируйте балансирную (маятниковую) (рис. 244) подвеску коробки передач. Заверните болты и гайки и затяните их моментом 100 Н·м;
- затяните болт 1 (рис. 245) крепления подвески моментом 20 Н·м, а гайку на болте 2 моментом 100 Н·м;
- затяните болты (рис. 246) крепления подвески моментом 90 Н·м;
- установите новое упорное кольцо на конец левого приводного вала;
- вставьте левый приводной вал в шлиц и коротким толчком вдвиньте его, при необходимости ударьте по внешнему концу вала пластмассовым молотком таким образом, чтобы стопорное кольцо встало в паз на внутренней стороне шестерни дифференциала;
- вставьте в ступицу колеса внешний конец левого приводного вала;
- установите новое упорное кольцо на конец правого приводного вала;
- вставьте правый приводной вал точно так же, как и левый. Стопорное кольцо должно встать в свой паз и защелкнуться;
- установите стопорное кольцо промежуточного вала;
Рис. 247. Болты крепления (показаны стрелками) подшипника промежуточного вала
- вставьте промежуточный вал (рис. 247), при необходимости вбейте вал пластмассовым молотком;
- затяните крепление подшипника промежуточного вала моментом 27 Н·м;
- установите соединительную тягу с амортизационной стойкой. Затяните гайку моментом 100 Н·м;
Рис. 242. Место расположения крепления несущего рычага подвески к поворотному кулаку (показано стрелкой)
- соедините корпус подшипника колеса (поворотный кулак) с шаровой опорой и затяните два болта (рис. 242) крепления несущего рычага подвески к поворотному кулаку моментом 55 Н·м;
- установите головку поперечной рулевой тяги. Затяните гайки моментом 30 Н·м, после чего доверните их еще на 90°;
Рис. 241. Гайки крепления (показаны стрелками) правой опоры подвески двигателя
- смонтируйте правое крепление подвески (рис. 241) двигателя. Затяните гайки крепления моментом 50 Н·м;
- заверните верхние болты крепления коробки передач к двигателю и затяните их моментом 80 Н·м;
- приверните провод «массы»;
Рис. 239. Присоединение тросов к рычагам коробки передач: 1 - рычаг выбора передач; 2 - рычаг включения передач
- вставьте оба троса переключения передач в зажимы на коробке передач до упора. Трос 1 (рис. 239) должен пересекать трос 2;
- наденьте концы тросов на соответствующие рычаги на коробке передач. Трос 1 наденьте на рычаг выбора передач, а трос 2 на рычаг включения передач;
- трубопровод вожмите в держатель на коробке передач и подсоедините к рабочему цилиндру гидропривода сцепления;
- зафиксируйте трубопровод скобой;
- установите корпус воздушного фильтра;
- установите нижний кожух моторного отсека;
- установите передние колеса. Колеса приверните и опустите автомобиль. Болты крепления колес перекрестным способом затяните моментом 170 Н·м. Затяните центральный болт ступицы;
- присоедините провод «массы» к АБ;
- удалите воздух из гидравлической системы сцепления (см. п. 9.4.3);
- отрегулируйте привод переключения передач;
- проверьте уровень трансмиссионного масла в коробке передач. При недостаточном количестве долейте его в коробку передач.

Комментарии посетителей