
ПРИМЕЧАНИЕ: Снятие и установка распредвалов возможна только при снятом двигателе и головке блока цилиндров.
Порядок выполнения работ
Приведитеколенвал с помощью крепежного болта демпфера крутильных колебаний по направлению вращения двигателя до отметки ВМТ цил. 1.
Снимите впускной коллектор и крышку головки блока цилиндров. Снимите корпус термостата. Снимите натяжитель цепи привода ГРМ.
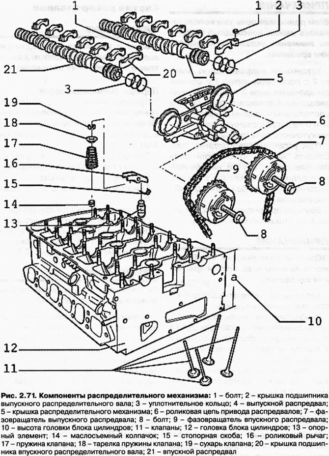
Отвинтите крышку распредвалов. Перед снятием пометьте направление хода роликовых цепей (напр, нанести краской стрелку, указывающую направление хода цепи) (рис. 2.72).

ПРИМЕЧАНИЕ: Не наносите насечки кернером или подобными инструментом.
Сначала снимите муфту перестановки выпускного распредвала.
Удерживать распредвал в зафиксированном положении следует только с помощью вилочного ключа 32. При затяжке или откручивании фазовращателей линейка для распредвалов Т10068 А не должна быть вложена в канавки.
Снимите муфту перестановки распредвала вместе с роликовой цепью привода ГРМ с впускного вала.
Отложите цепь привода ГРМ в сторону, положив ее боком.
Отвинтите корпус регулятора от головки блока цилиндров (рис. 2.73).

Аккуратно снимите крышку распределительного механизма с манжетных уплотнений распредвалов.
Впускной распредвал
Снимите сначала крышки подшипников 1 и 13.
Затем снимите крышки подшипников 3 и 11.
Снимите крышку подшипника 7.
Ослабьте и снимите крышки подшипников 5 и 9, чередуя крест-накрест (рис. 2.74).

Выпускной распредвал
Снимите сначала крышки подшипников 2 и 14.
Затем снимите крышки подшипников 4 и 12.
Снимите крышку подшипника 8.
Ослабьте и снимите крышки опор 6 и 10, чередуя крест-накрест (рис. 2.74).
Аккуратно извлеките распредвалы и положите их на чистую подкладку.
Извлеките роликовые рычаги вместе с опорами и отложите их на чистую подкладку.
Запрещается менять местами роликовые рычаги и опорные элементы.

Комментарии посетителей