
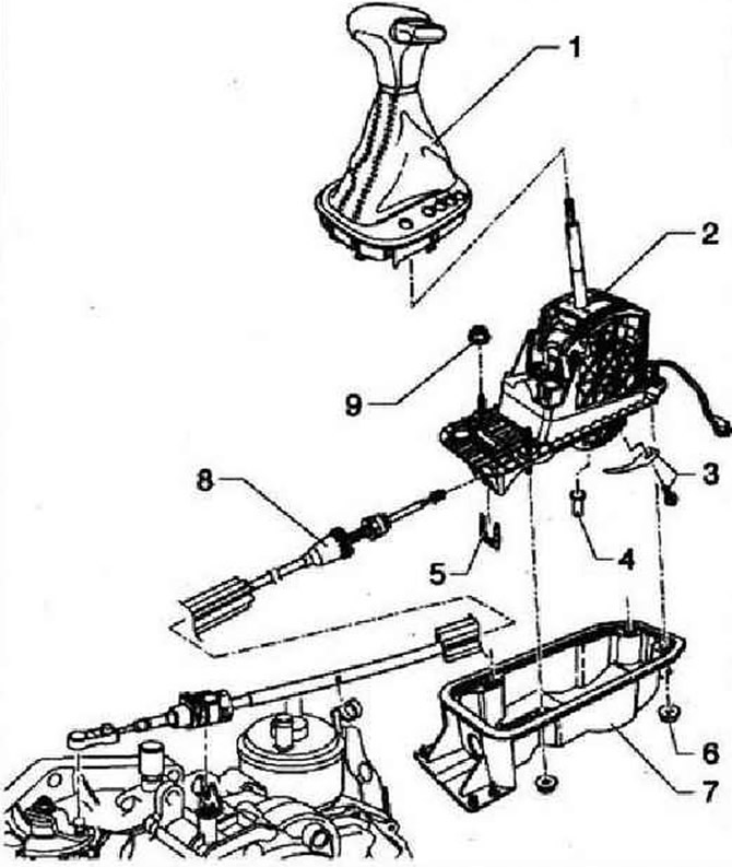
- 1 - Чехол привода переключения с рукояткой. Аварийная разблокировка: перед снятием рукоятки извлечь кнопку через точку нажатия и закрепить клейкой лентой. Таким образом, можно избежать случайного вдавливания кнопки в рукоятку. Если кнопку необходимо установить при демонтированной рукоятке: обязательно перед установкой вытянуть кнопку, минуя ощутимое сопротивление
- 2 - Привод переключения с селектором
- 3 - Болт с пружиной, 3 Нм
- 4 - Болт, не смазывать
- 5 - Защитный экран, всегда заменять при разборке .
- 6 - Гайка, 9 Нм, 4 штуки
- 7 - Корпус опоры рычага управления с уплотнителем
- 8 - Тяга селектора, тягу дополнительно не смазывать
- 9 - Шестигранная гайка с шайбой, 8 Нм, 4 штуки

Комментарии посетителей