
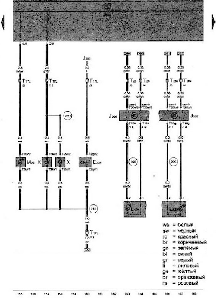
- E234 - Клавиша для отпирания ручке двери багажного отсека
- J386 - Блок управления двери водителя
- J367 - Блок управления двери переднего пассажира
- J303 - Центральный блок управления систем комфорта
- J519 - блок управления бортовой сети
- L131 - Лампа повторителя указателя поворота в наружном зеркале со стороны водителя
- L132 - Лампа повторителя указателя поворота в наружном зеркале со стороны переднего пассажире
- М25 - Лампа верхнего стоп-сигнале
- Т2bl- Разъём. 2-контактный
- T2gr - Разъём, 2-контвктный
- T2kl - Разъём. 2-контактный
- Т2kr - Разъём, 2-контактный
- Т16а - Разъём, 1б-контактный
- Т16g - Разъём. 16-контактный
- Т17L - Разъём, 17-контактный
- Т20а - Разъём, 20-контактный
- Т20b - Разъём, 20-контактный
- Т28 - Разъём, 28-контакгный, место соединения - левая стойка А
- Т28е - Разъём, 28-контактный, место соединения - правая стойка А
- X - Освещение номерного знака
- 205 - Соединение с мессой в жгуте проводов двери водителя
- 206 - Соединение с массой в жгуте проводов двери переднего пассажира
- 218 - Соединение с массой 1 в жгуте проводов крышки багажного отсеке
- W11 - Соединение (58) в жгуте проводов крышки багажного отсека
Статья опубликована на данном ресурсе (VWMANUAL)

Комментарии посетителей