Инструкция: Ниже дано описание работ по снятию и установке замка правой двери. Замок левой двери снимается и устанавливается аналогичным образом.

Снять несущую панель «5». Повернуть подрамник «5» и отсоединить разъем «2» замка «1». Выбить с помощью выколотки фиксаторы «3». Отделить с помощью отвертки замок «1» вместе с кронштейном «6» и корпусом ручки «7» от подрамника,

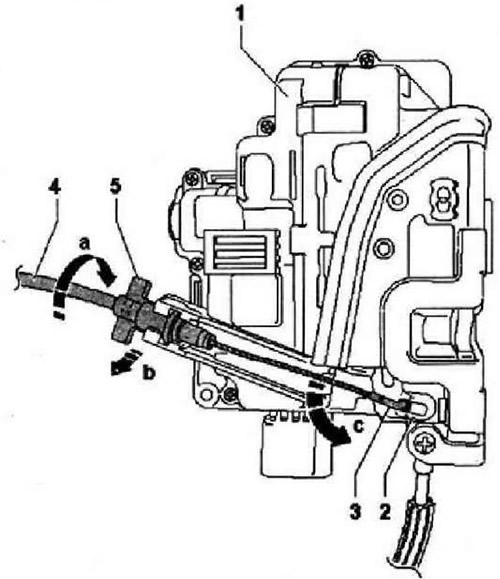
Снять корпус ручки. Снять кронштейн. Отсоединить держатель «5», повернув его в направлении «стрелки а». Вынуть держатель «5» из посадочного места «стрелка b». Повернуть трос «4» на 90° «стрелка с» и вынуть наконечник «3» из проушины «2».

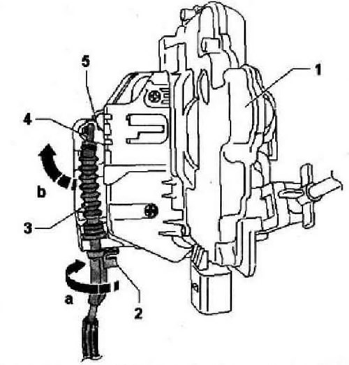
Повернуть замок «1» другой стороной. Отсоединить -держатель 2-, повернув его в направлении «стрелки а». Вынуть держатель «2» из посадочного места. Повернуть трос «3» в направлении «стрелки b» и вынуть наконечник «4» из проушины «5».

Комментарии посетителей