Инструкция: Описание сделано для правой стороны автомобиля. Левая сторона аналогична правой. Новую петлю смазывают после выполнения окраски.

Смазать верхнюю петлю «1» по окружностям «стрелки» пальца и отверстия литиевой консистентной смазкой -G 000 150-. Смазать нижнюю петлю «1» по окружностям «стрелки» пальца и отверстия литиевой консистентной смазкой -G 000 150-.
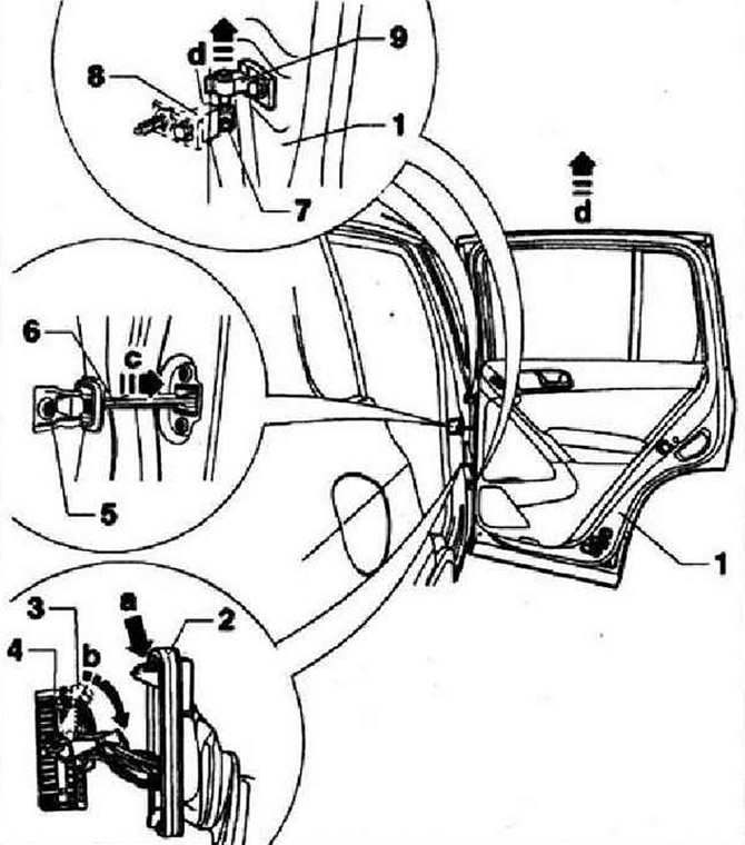
Снятие

Нажатием разблокировать защелку «стрелка а» и отсоединить от стойки А гофрированный чехол «2». Повернуть рычаг фиксатора «3» вниз «стрелка b» и отсоединить электрический разъем «4» от колодки. Выкрутить болт «5» и сдвинуть ограничитель открывания двери «6» внутрь «стрелка с». Ослабить болты «7» на нижних частях обеих петель «8». Дверь вместе с верхними половинами петель «9» поднять вверх «стрелка d» При установке двери использовать различные моменты для затяжки болтов. Если стойка В была заменена, то при установке двери необходимо действовать так, как предписано в случае замены стойки В. Если стойка В не заменялась, то при установке двери следует действовать в соответствии с указаниями следующего раздела (Установка).
Установка
Установка осуществляется в обратной последовательности. Момент затяжки болта «5» 32 Нм. Момент затяжки болтов «7» 30 Нм. Проверить зазоры по периметру задней двери.

Комментарии посетителей