
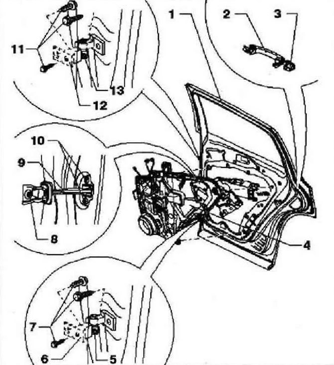
- 1 - Дверь
- 2 - Ручка двери с прокладкой
- 3 - Крышка
- 4 - Несущая панель с замком двери, замок двери можно снять только вместе с несущей панелью
- 5 - Болт, 30 Нм
- 6 - Дверная петля, петля состоит из двух частей
- 7 - Болт, 32 Нм, снятые болты всегда заменять на новые
- 8 - Болт, 30 Нм
- 9 - Ограничитель открывания двери
- 10 - Болт, 9 Нм
- 11 - Болт, 32 Нм, снятые болты всегда заменять на новые
- 12 - Дверная петля, петля состоит из двух частей
- 13 - Болт, 30 Нм

Комментарии посетителей