Инструкция: Ниже дано описание работ по снятию и установке правой несущей панели. Левая несущая панель снимается и устанавливается аналогичным образом, болты имеют левую резьбу.
На несущей панели закреплены стеклоподъемник, замок и динамик. Замок двери можно снять только вместе с несущей панелью. Несущая панель снимается только после отворачивания зажимных винтов оконного стекла. Для этого опустить стекло до уровня монтажных отверстий и ослабить зажимные винты. Если при наличии злектростеклоподъемника стекло вниз не опускается, предварительно выяснить точную причину неисправности. Для этого с помощью тестера -VAS 5051 А- или -VAS 5052- опросить память неисправностей систем комфорта. Если причина заключается в электрической неисправности, то сначала устранить эту неисправность. Если неисправен электродвигатель стеклоподъемника, то можно снять его с несущей панели и сдвинуть стекло в требуемое положение от руки.
Снятие

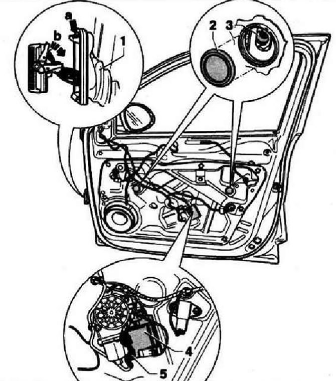
Снять обивку передней двери. Снять наружную ручку двери. Поддеть и извлечь заглушки «2». Опустить стекло до появления доступа к винтам его крепления «3». Ослабить болты «3» (не выкручивать полностью, учесть, что они имеют левую резьбу; момент затяжки: 8 Нм) и разжать зажимные колодки. Сдвинуть стекло наверх и закрепить его (например, с помощью липкой ленты). Разблокировать фиксаторы чехла «стрелка а» и отсоединить чехол. Отсоединить разъем «1» на стойке, предварительно опустив его запорный рычаг «стрелка b». Отсоединить разъем для наружного зеркала «5» на двигателе стеклоподъемника «4».

Снять жгут проводов наружного зеркала 4- с креплений. Ввести провода от стойки А внутрь двери и отсоединить их держатель. Вывернуть болт «5» ручки двери. Вывернуть болты «3» замка двери. Вывернуть болты «стрелка».

Отделить нижнюю часть несущей панели «1» от двери «стрелки а». Вынуть несущую панель из двери движением по направлению к стойке вниз и вбок «стрелка b». Сначала из двери нужно извлечь верхнюю часть стеклоподъемника «5», а затем замок двери «2». Вместе с несущей панелью «1» извлечь разъем «3» и жгут проводов «4».
Установка

Вставить несущую панель в дверь снизу вверх, «стрелка а» наискось к двери. Установить на соответствующие места в двери замок «3», стеклоподъемник, «2» и разъем «4». Нажать на нижнюю часть несущей панели «1» и вставить её в дверь «стрелки b». Уложить жгуты проводов «5».

Отцентрировать положение несущей панели «1» надев её на выступы «5». Установить на место все болты стрелка-. Сначала закрутить болты «5». Далее завернуть остальные болты «стрелка» в произвольном порядке. Момент затяжки болтов «стрелки 4» 8 Нм. Закрепить стекло. Затянуть болты крепления замка «3» моментом 20 Нм. Закрутить болт «9» ручки «8». Проверить положение уплотнителя «10». Подключить разъемы -6 и 7-. Далее выполнить в обратном порядке действия, проведенные при снятии несущей панели. Прежде, чем устанавливать обивку двери следует проверить работу механизмов двери.

Комментарии посетителей