Рис. 5.43 а. Расположение элементов системы впрыска топлива и зажигания:
1 - 4-контанктный разъем проводки датчика кислорода; 2 - Разъем проводки для форсунки и датчика температуры входящего воздуха; 3 - Регулятор давления топлива; 4 - Форсунка с датчиком температуры входящего воздуха; 5 - Потенциометр дроссельной заслонки с выключателем холостого хода; 6 - Потенциометр дроссельной заслонки; 7 - Регулятор температуры подогрева входящего воздуха; 8 - Корпус дроссельной заслонки; 9 - Разъем проводки для подогрева входящего воздуха; 10 - Катушка зажигания; 11 - Реле подогрева впускного коллектора; 12 - Блок управления двигателем; 13 - Распределитель зажигания с датчиком холла; 14 - Датчик температуры охлаждающей жидкости; 15 - Соединение на «массу»; 16 - Вакуумный узел для подогрева входящего воздуха; 17 - Электромагнитный клапан 1 активированного угольного фильтра; 19 - Воздушный фильтр.
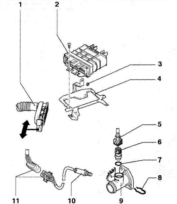
Рис. 5.43 б. Расположение элементов системы впрыска топлива и зажигания:
1 - Разьем проводки блока управления двигателем; 2 - Блок управления двигателем; 3 - Гайка; 4 - Фиксатор; 5 - 4-контанктный разъем проводки датчика температуры охлаждающей жидкости; 6 - Датчик температуры охлаждающей жидкости; 7 - Уплотнительное кольцо; 8 - Стопорное кольцо; 9 - Переходник; 10 - Датчик кислорода; 11 - 4-контанктный разъем проводки датчика кислорода.
Рис. 5.43 в. Расположение элементов системы впрыска топлива и зажигания:
1 - Впускной воздуховод; 2 - Болт; 3 - К вакуумному узлу от воздушного фильтра; 4 - Фиксатор; 5 - Уплотнитель; 6 - Регулятор температуры для подогрева входящего воздуха; 7 - Воздушный фильтр; 8 - Сальник; 9 - К электромагнитному клапану 1 активированного угольного фильтра; 10 - Разъем проводки; 11 - Сливной топливопровод; 12 - Нагнетающий топливопровод; 13 - Корпус дроссельной заслонки.
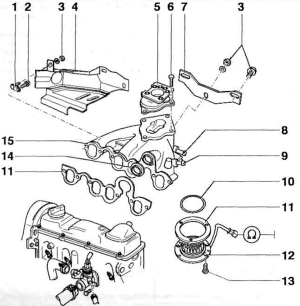
Рис. 5.43 г. Расположение элементов системы впрыска топлива и зажигания:
1 - Кронштейн; 2, 6, 13 - Болты; 3 - Гайка; 4 - Опорная плита; 5 - Фланец; 7 - Опора впускного коллектора; 8 - К патрубку системы охлаждения; 9 - К сервоусилителю тормозного привода; 10 - Уплотнительное кольцо; II - Прокладка; 12 - Нагреватель входящего воздуха; 14 - Сальник; 15 - Впускной коллектор.
Рис. 5.43 д. Расположение элементов системы впрыска топлива и зажигания:
1, 6 - Болты; 2 - Защитная крышка; 3 - Фиксатор форсунки с датчиком температуры входящего воздуха; 4 - Уплотнительное кольцо; 5 - Форсунка; 7 - Верхняя часть корпуса дроссельной заслонки; 8 - Прокладка; 9 - Переходник; 10 - Сальник; 11 - Регулятор давления топлива; 12 - Пробка.
Рис. 5.43 е. Расположение элементов системы впрыска топлива и зажигания:
1 - Потенциометр дроссельной заслонки с выключателем холостого хода; 2, 7 - Болты; 3 - Выключатель холостого хода; 4 - Опорный кронштейн; 5 - Нижняя часть корпуса дроссельной заслонки; 6 - Ограничительный винт; 8 - Фиксатор; 9, 10 - Для вакуумных трубок; 11 - Сальники; 12 - Потенциометр дроссельной заслонки.
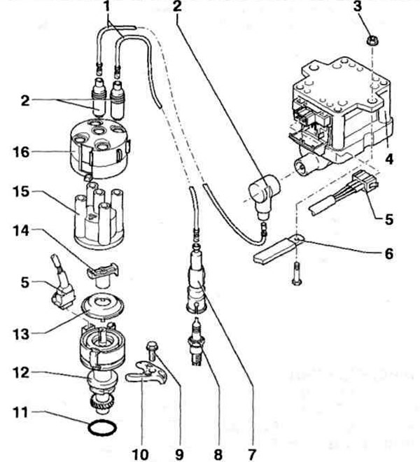
Рис. 5.43 ж. Расположение элементов системы впрыска топлива и зажигания:
1 - Высоковольтные провода; 2 - Подавитель помех; 3 - Гайка; 4 - Катушка зажигания; 5 - Разъем проводки; 6 - Провод соединения на «массу»; 7 - Переходник свечи зажигания; 8 - Свеча зажигания; 9 - Болт; 10 - Хомут; 11 - Уплотнительное кольцо; 12 - Распределитель зажигания с датчиком Холла; 13 - Крышка; 14 - Ротор распределителя; 15 - Крышка распределителя; 16 - Экранирующая крышка.
Таблица 5.2. Регулировочные данные системы зажигания и маркировка свечей зажигания


Комментарии посетителей