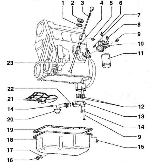
Рис. 5.30. Элементы системы смазки:
1, 17 - Сальники; 2 - Крышка; 3 - Указатель уровня масла; 4 - Направляющая втулка; 5 - Датчик давления масла (0.25 бар) (только на двигателях AFT и AD2); 6 - Датчик давления масла (1.8 бар); 7 - Перепускной клапан; 8 - Датчик давления масла (0.3 бар) (только на двигателе 1F); 9, 14, 15 - Болты; 10 - Кронштейн масляного фильтра; 11 - Масляный фильтр; 12 - Шестерни масляного насоса; 13 - Масляный насос с перепускным клапаном (5.7-6.7 бар); 16 - Сливная пробка; 18 - Поддон; 19, 23 - Прокладки; 20 - Маслозаборник; 21 - Маслоотделитель;22 - Уплотнительное кольцо.
Проверка зазора между шестернями насоса с помощью щупа показана на рис. 5.31 Зазор нового насоса: 0.05 мм, допустимый износ: 0.20 мм.

Проверка осевого зазора масляного насоса показана на рис. 5.32. Допустимый износ: 0.15 мм.


Комментарии посетителей