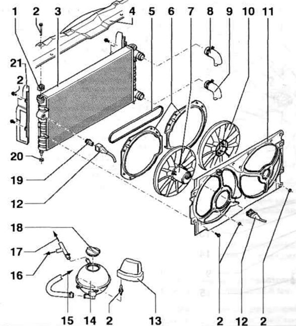
Рис. 5.34. Элементы системы охлаждения:
1 - Хомут; 2 - Болты с гайками; - Радиатор; 4 - Блокировочная опора; 5 - Поликлиновой ремень (только на автомобилях с дополнительными опциями); 6 - Направляющие кольца вентиляторов; 7 - Вентилятор радиатора; 8 - Верхний патрубок; 9 - Нижний патрубок; 10 - Дополнительный вентилятор; 11 - Кожух вентиляторов; 12 - Разьем проводки вентилятора; 13 - Крышка расширительного бачка; 14 - Расширительный бачок; 15 - К патрубку системы охлаждения; 16 - От блока управления дроссельной заслонкой (только на двигателе AFT); 17 - К переходнику; 18 - Крышка; 19 - Термовыключатель вентилятора; 20 - Резиновая шайба; 21 - Воздуховод.
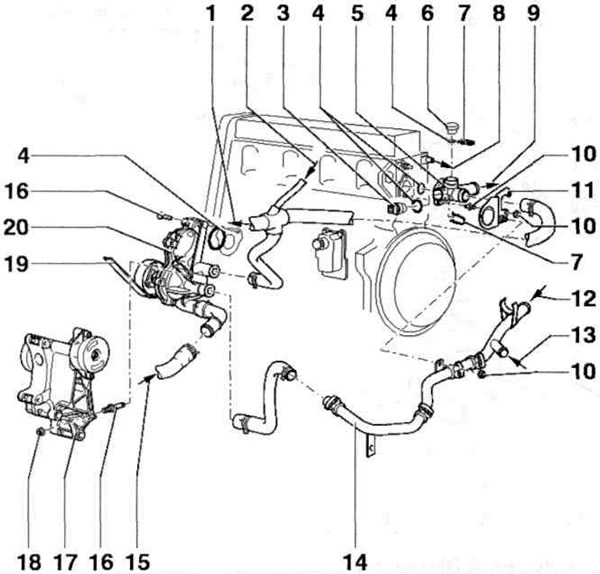
Рис. 5.35. Элементы системы охлаждения (двигатель AFT):
1 - К верхней части радиатора; 2, 13 - От расширительного бачка; 3 - Датчик температуры охлаждающей жидкости; 4 - Уплотнительное кольцо; 5 - Переходник; 6 - Пробка; 7 - Фиксатор; 8 - К блоку дроссельной заслонки; 9 - К радиатору; 10, 16 - Болты; 11 - Кронштейн; 12 - От радиатора; 14 - Патрубок; 15 - От нижней части радиатора; 17 - Кронштейн генератора; 18 - Гайка; 19 - Поликлиновой ремень/ребристый ремень; 20 - Насос системы охлаждения.
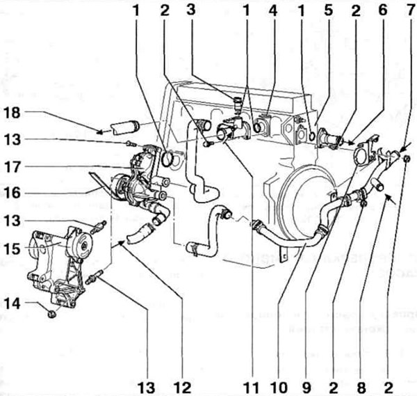
Рис. 5.36. Элементы системы охлаждения (двигатели 1F, ADZ):
1 - Уплотнительное кольцо; 2, 13 - Болты; 3 - Датчик температуры охлаждающей жидкости; 4 - Фиксатор; 5 - Головка блока цилиндров; 6 - К радиатору; 7 - От радиатора; 8, 11 - От расширительного бачка; 9 - Кронштейн; 10 - Патрубок; 12 - От нижней части радиатора; 14 - Гайка; 15 - Кронштейн генератора; 16 - Поликлиновой ремень/ ребристый ремень; 17 - Насос системы охлаждения; 18 - К верхней части радиатора.
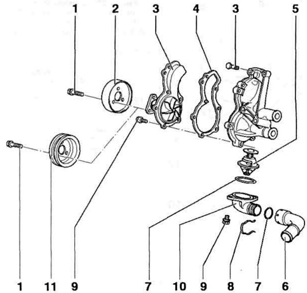
Рис. 5.37. Насос системы охлаждения:
1, 9 - Болты; 2, 11 - Шкивы; 3 - Насос системы охлаждения; 4 - Прокладка; 5 - Термостат; 6 - Переходник; 7 - Уплотнительное кольцо; 8 - Фиксатор; 10 - Фланец.

Комментарии посетителей