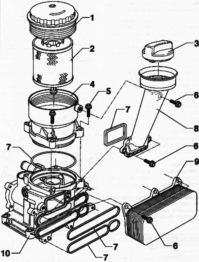
Мал. 2.266. Кампаненты алейнага фільтра:
1 - вечка корпуса алейнага фільтра, 25 Нм; 2 - алейны фільтр; 3 - вечка; 4 - верхняя частка корпуса; 5 - ніт 8 Нм; 6 - ніт 10 Нм; 7 - ушчыльненне; 8 - заліўная гарлавіна; 9 - ахаладжальнік алею; 10 - ніжняя частка корпуса.
Парадак выканання работ
Адкручвайце і закручвайце з дапамогай ключа для алейнага фільтра Т10192 (мал. 2.267).

Момант зацяжкі 25 Нм.

Каментары наведвальнікаў