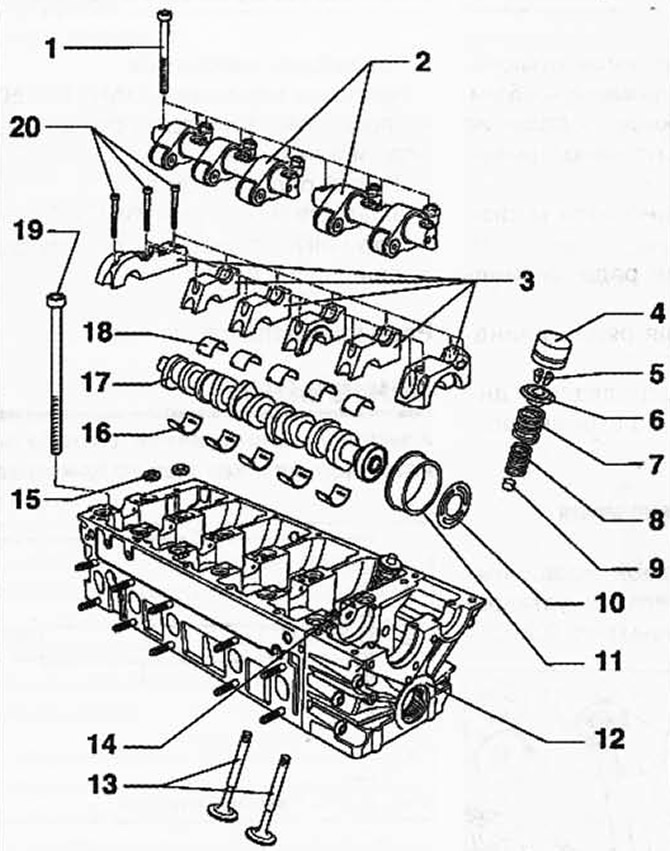
Рис. 2.207. Компоненты клапанного механизма:
1 - болт 20 Нм + довернуть на 1/4 об. (90°); 2 - ось роликовых рычагов; 3 - крышка подшипника; 4 - тарельчатый толкатель; 5 - конический сухарь; 6 - тарелка пружины клапана; 7 - внешняя пружина клапана; 8 - внутренняя пружина клапана; 9 - уплотнитель стержня клапана; 10 - шайба с алмазным покрытием; 11 - втулка; 12 - головка блока цилиндров; 13 - клапаны; 14 - насос-форсунка; 15 - шайба; 16 - вкладыш подшипника; 17 - распределительный вал; 18 - вкладыш подшипника; 19 - болт головки блока цилиндров; 20 - болт 8 Нм + довернуть на 1/4 об. (90°).
Рис. 2.208. Поршень и шатун:
1 - болт шатуна, 30 Нм + довернуть на 1/4 об. (90°); 2 - крышка шатуна; 3 - вкладыш опоры; 4 - шатун; 5 - стопорное кольцо; 6 - поршень; 7 - поршневой палец; 8 - поршневые кольца.
Проверка положения поршней в верхней мёртвой точке
Измерение выступания поршня в условиях СТО невозможно. Соединение головки блока цилиндров с алюминиевым блоком цилиндром осуществляется по анкерному принципу с помощью анкерных болтов. Таким образом достигается такое обжатие блока цилиндров, которого нельзя достичь при демонтированной головке блока цилиндров. По это причине при замене прокладки головки блока цилиндров необходимо устанавливать новую прокладку головки блока цилиндров с идентичной индексной маркировкой.
Размеры поршней и цилиндров
ПРИМЕЧАНИЕ: Ремонтные типоразмеры не предусмотрены.
| Размер шлифовки | Поршень | Цилиндр |
| Номинальный размер, мм | 80,97 | 81,01 |
Проверка теплового зазора поршневых колец
Вгоните поршневое кольцо сверху, под прямым углом к стенке цилиндра, до нижнего отверстия цилиндра, на расстоянии около 15 мм от его края (рис. 2.209).

| Поршневое кольцо | Тепловой зазор | |
| новое | граница износа | |
| 1. Компрессионное кольцо, мм | 0,20-0,40 | 1,0 |
| 2. Компрессионное кольцо, мм | 0,30-0,50 | 1,0 |
| Маслосъемное кольцо, мм | 0,25-0,50 | 1,0 |
Проверка зазора поршневых колец по высоте
Перед проверкой очистите кольцевую канавку (рис. 2.210).

| Поршневое кольцо | Зазор по высоте | |
| новое | граница износа | |
| 1. Компрессионное кольцо, мм | 0,04-0,09 | 0,15 |
| 2. Компрессионное кольцо, мм | 0,03-0,06 | 0,15 |
| Маслосъемное кольцо, мм | 0,02-0,06 | 0,15 |
Проверка диаметра цилиндра
Измерьте в трёх местах крестом поперечное расстояние А и продольное В (рис. 2.211).

Максимально допустимое отклонение от номинального размера: 0,05 мм.
Поршень: монтажное положение и принадлежность к поршню/ цилиндру-
На дно поршня наносится маркировка:
- поршни 1-5 для ряда цилиндров 1;
- поршни 6-10 для ряда цилиндров 2.
Расположение: стрелка на дне поршня показывает на сторону всасывания.
Проверка осевого смещения распредвала
Проверка при демонтированных тарельчатых толкателях и установленных крышках опоры (рис. 2.212).

Первый ряд цилиндров:
- установлены крышки подшипников 2, 4 и 6
Второй ряд цилиндров:
- установлены крышки подшипников 9, 11, и 13
Предельный износ: макс. 0,15 мм/
Нанесите герметик на посадочные поверхности внешних крышек подшипников.
Порядок выполнения работ
Наносить герметик AMV 176 501 на поверхности тонким равномерным слоем 1 (рис. 2.213).

Первый ряд цилиндров:
- Нанесите герметик - AMV 176 501 на посадочные поверхности крышек подшипников 1 и 7
Второй ряд цилиндров:
- Нанесите герметик AMV 176 501 на посадочные поверхности крышек подшипников 8 и 14
Размеры клапанов
ПРИМЕЧАНИЕ: Клапаны запрещается обрабатывать. Допускается только притирка.

| Размер | Короткий впускной клапан | Длинный впускной клапан |
| а, мм | 35,950 | 31,450 |
| b, мм | 6,980 | 6,956 |
| с, мм | 89,950 | 89,950 |
| а,град | 45 | 45 |
Маркировка распределительного вала (фазы газораспределения)
Основная окружность клапанного кулачка: а = 52,8 мм. Маркировка нанесена в виде отштампованных цифр и букв на торцевую поверхность стороны привода распределительного вала (рис. 2.215).

Сторона привода
- Первый ряд цилиндров: 07Z G.
- Второй ряд цилиндров: 07Z Н.
Фазы газораспределения при ходе клапана 1 мм
| Впуск открывается после ВМТ | 12,0° |
| Впуск закрывается после НМТ | 21,5° |
| Выпуск открывается перед НМТ | 30,0° |
| Выпуск закрывается перед ВМТ | 20,5° |

Комментарии посетителей