
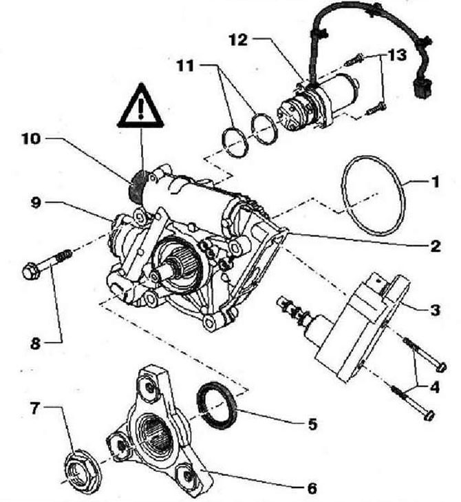
- 1 - Уплотнительное кольцо, смазать маслом для муфт Haldex и вставить, обязательно заменить
- 2 - Корпус муфты Haldex
- 3 - Блок управления полного привода «J492» с клапаном управления степенью открытия муфты «N373»
- 4 - Болты, 6 Нм
- 5 - Уплотнительное кольцо фланца/карданного вала, заменить
- 6 - Фланец карданного вала
- 7 - Гайка, 210 Нм, зафиксировать резьбовым лаком -D 000 600-
- 8 - Болты, 4 шт., 50 Нм
- 9 - Крышка корпуса масляного фильтра, замена фильтра не требуется
- 10 - Крышка ресивера. Никогда не открывать крышку, опасность травмирования!
- 11 - Уплотнительное кольцо, 2 шт., диаметр 34 мм, для насоса для муфты Haldex «V181», смазать маслом для муфт и вставить, обязательно заменить
- 12 - Насос для муфты Haldex «V181»
- 13 - Болты, 6 Нм

Комментарии посетителей