Объем жидкости для гидроусилителя рулевого управления: 0.7-0.9 л.
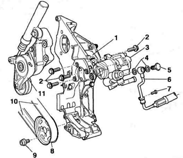
Расположение насоса гидроусилителя рулевого управления показано на рис. 10.12. Бачок насоса гидроусилителя рулевого управления показан на рис. 10.13. Расположение верхнерасположенного насоса гидроусилителя рулевого управления показано на рис. 10.14 а, нижерасположенного - на рис. 10.14 б. Насос гидроусилителя рулевого управления автомобилей с двигателями 1.4 л показан на рис. 10.15 а, автомобилей с двигателями 1.6 л - на рис. 10.15 б.
Рис. 10.12. Расположение насоса гидроусилителя рулевого управления:
I - Автомобиль с верхнерасположенным насосом гидроусилителя рулевого управления; II - Автомобиль с нижнерасположенным насосом гидроусилителя рулевого управления; 1 - Бачок; 2 - Трубка удержания давления (на двигателях SDI и TDI с кондиционером); 3 - Крепление заборной трубки (на двигателях SDI и TDI с кондиционером); 4 - Крепление заборной трубки на насосе; 5 - Крепление заборной трубки на двигателе; 6 - Насос гидроусилителя рулевого управления; 7 - Крепление заборной трубки (на двигателях 1.0 и 1.4 с кондиционером); 8 - Крепление заборной трубки (на двигателях 1.6. SDI с TDI с кондиционером); 9 - Крепление нагнетающей трубки (для всех двигателей).
Рис. 10.13. Бачок насоса гидроусилителя рулевого управления:
1 - Крышка с указателем уровня жидкости; 2 - Болт; 3 - Хомут; 4 - Сливная трубка; 5 - Продольная балка; 6 - Заборная трубка; 7 - Бачок насоса гидроусилителя рулевого управления.
Рис. 10.14 а. Расположение верхнерасположенного насоса гидроусилителя рулевого управления:
1 - Кронштейн; 2, 5, 7, 9 - Болты; 3 - Насос гидроусилителя рулевого управления; 4 - Пробка; 6 - Нагнетающая трубка; 8 - Шкив насоса; 10 - Ребристый ремень; 11- Натяжной ролик ребристого ремня.
Рис. 10.14 б. Расположение нижнерасположенного насоса гидроусилителя рулевого управления:
1 - Кронштейн; 2, 3, 10 - Болты; 4 - Нагнетающая трубка; 5 - Уплотнительное кольцо; 6 - Заборная трубка; 7 - Хомут; 8 - Насос гидроусилителя рулевого управления; 9 - Шкив насоса; 11 - Ребристый ремень; 12 - Натяжной ролик ребристого ремня.
Рис. 10.15 а. Насос гидроусилителя рулевого управления автомобилей с двигателями 1.4 л:
1, 4, 5, 11, 12, 13, 14 - Болты; 2 - Шкив насоса; 3 - Ребристый ремень; 6 - Уплотнительное кольцо; 7 - Нагнетающая трубка; 8 - Насос гидроусилителя рулевого управления; 9 - Хомут; 10 - Заборная трубка;
Рис. 10.15 б. Насос гидроусилителя рулевого управления автомобилей с двигателями 1.6 л:
1 - Уплотнительные кольца; 2 - Нагнетающая трубка; 3, 7, 9, 10, 13, 14, 17 - Болты; 4 - Заборная трубка; 5 - Хомут; 6 - Насос гидроусилителя рулевого управления; 8 - Поликлиновой ремень; 11 - Кронштейн; 12 - Опорный кронштейн; 15 - Регулировочный болт; 16, 20 - Гайки; 18 - Регулировочный кронштейн; 19 - Шпилька; 21 - Консоль; 22 - Насос системы охлаждения.

Комментарии посетителей