- без замены масляного фильтра — 4,0 литра
- с заменой масляного фильтра — 4,5 литра
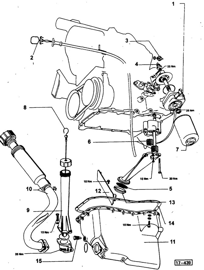
1. масляный радиатор. Поверхности, соприкасающиеся с держателем масляного фильтра, кроме уплотнительно-го_кольца, намазать уплотняющим средством AMV-188 100.02. Обратить внимание на свободное расположение по отношению к близлежащим узлам.
2. стержневой указатель уровня масла с 8.82.
3. регулятор давления масла 0,3 бар, 25 нм.
4. регулятор давления масла 1,4 бар дизель, 0,9 бар турбодизель.
5. сетка, почистить.
6. шестерни. Проверить боковой и осевой зазор. Ширина шестерни для дизеля — 26 мм, для турбодизеля — 30 мм.
7. масляный фильтр. Соблюдать указания, нанесенные на нем.
8. стержневой указатель уровня масла до 7.82.
9. маслозаправка до 7.82.
10. маслозалравка с 8.82.
11. масляная ванна.
12. направляющий лист.
13. всасывающий фильтр. Снимается отверткой.
14. прокладка масляной ванны.
15. резьбовая пробка. Для слива масла отвинтить примерно на 3 оборота.
Смотрите оригинал на этом портале (VWManual)

Комментарии посетителей