
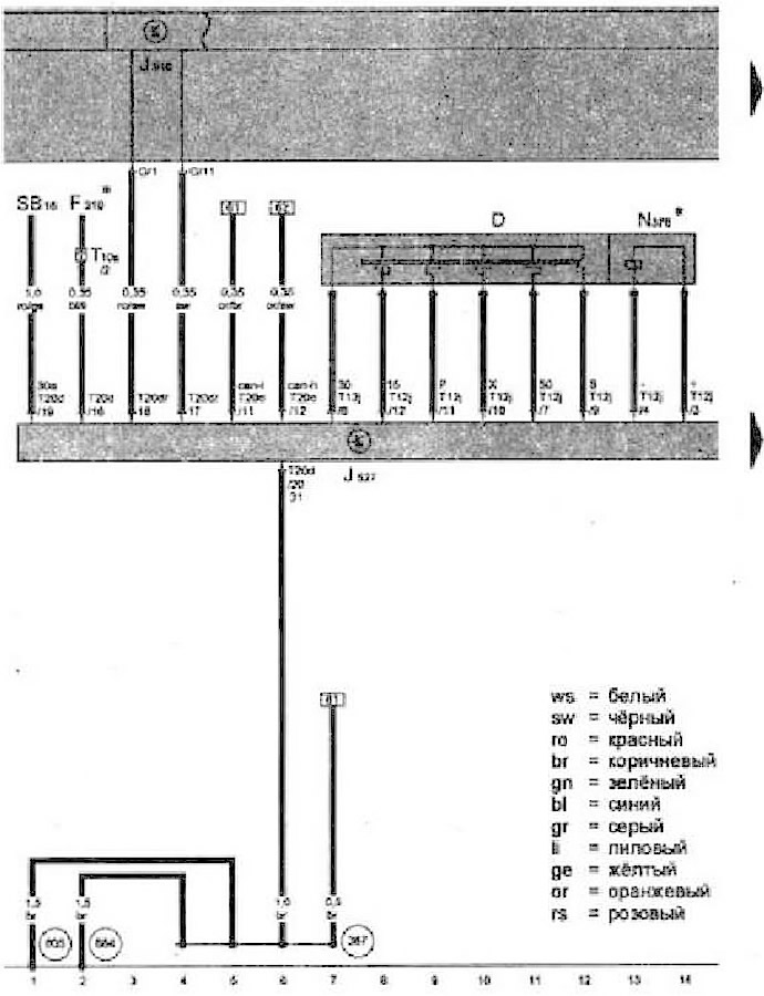
- D - Выключатель стартера/зажигания
- F319 - Выключатель селектора АКП (рычаг заблокирован в положении Р)
- J519 - Блок управления бортовой сети
- J527 - блок управления рулевой колонки
- N376 - Электромагнит блокировки извлечения ключа из замка зажигания
- SB16 - Предохранитель 16 в блоке предохранителей В
- T10s - Разъем, 10-контактный
- T12j - Разъем, 12-контактный
- T20d - Разъем. 20-контактный
- 367 - Соединение с массой 2 в главном жгуте проводов
- 605 - Точка соединения с массой на рулевой колонке сверху
- 684 - Точка соединения с массой спереди на левом пороге
- * - Только для а/м с 6-ступ. АКП 09G

Комментарии посетителей