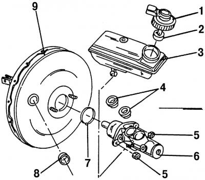
Рис. 327. Крепление главного тормозного цилиндра: 1 - крышка бачка с клеммами датчика аварийного уровня тормозной жидкости; 2 - поплавок; 3 - бачок; 4 - соединительные втулки; 5 - гайка, 25 Н·м; 6 - главный тормозной цилиндр; 7 - уплотнительное кольцо; 8 - фланец крепления наконечника шланга; 9 - вакуумный усилитель
Ремонт главного тормозного цилиндра в случае неисправности заключается в его замене в сборе на новый. Единственными элементами, подлежащими замене, являются соединительная втулка 4 (рис. 327), в случае обнаружения следов утечки жидкости, и уплотнительное кольцо 7 между главным тормозным цилиндром и вакуумным усилителем.
При замене соединительных втулок выполните следующие операции:
- откройте крышку бачка и при помощи сифона-груши откачайте из него жидкость;
- при помощи отвертки покачайте вправо-влево бачок и осторожно снимите его;
- извлеките соединительные втулки;
- новые соединительные втулки смажьте тормозной жидкостью и вставьте их в главный тормозной цилиндр;
- осторожно установите бачок;
- восстановите уровень жидкости в бачке и прокачайте систему гидропривода.

Комментарии посетителей