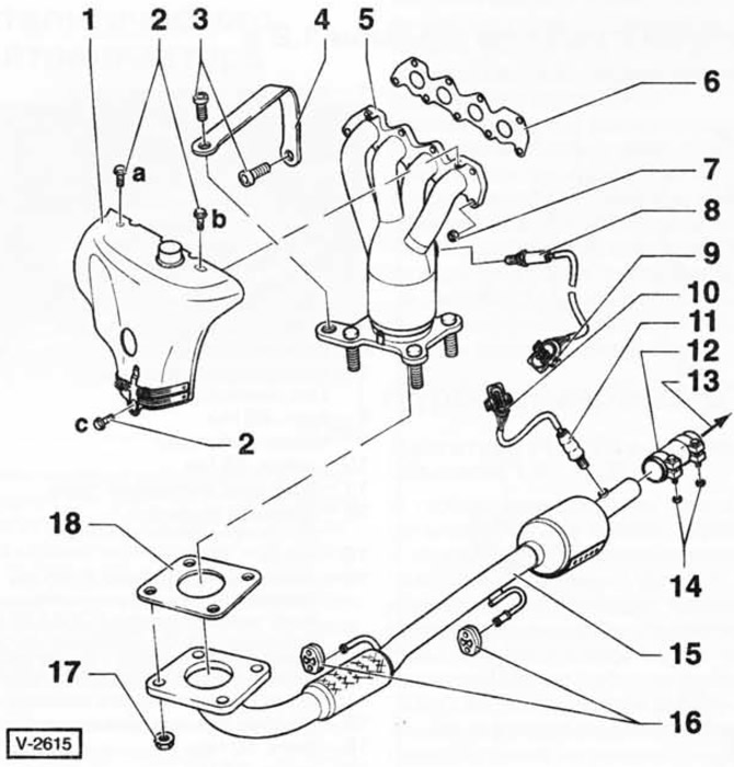
1 — заборник теплого воздуха
2 — болты, 10 Нм
Обеспечить затяжку в последовательности а, b, с.
3 — болты, 40 Нм
4 — кронштейн
5 — выпускной коллектор
6 — уплотнительная прокладка*
7 — гайка*, 25 Нм
8 — кислородный датчик 1, 50 Нм
9 — штекер
Черный, 6-контактный.
10 — штекер
Черный, 4-контактный.
11 — кислородный датчик 2, 50 Нм
12 — сдвоенный хомут
13 — к предварительному глушителю
14 — гайка, 25 Нм
15 — передняя выпускная труба с каталитическим нейтрализатором
16 — подушка подвески
При повреждении заменить.
17 — гайка*, 40 Нм
18 — уплотнительная прокладка*
*) Всегда заменять.

Комментарии посетителей