
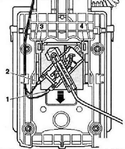
Távolítsa el az üzemanyag-adagoló modult. Oldja ki és válassza le az "1" és "2" vezeték csatlakozóját. Hajtsa fel a "3" és "4" hurkot egy csavarhúzóval, és távolítsa el az üzemanyagszint-érzékelőt a "nyíl" irányába csúsztatva.
Telepítés
Helyezze be az üzemanyagszint-érzékelőt az üzemanyag-adagoló modul vezetőibe, és nyomja le, amíg a helyére nem kattan. Csatlakoztassa a csatlakozókat, és ellenőrizze, hogy megfelelően rögzítve vannak-e. Szerelje be az üzemanyag-adagoló modult.

Látogatói megjegyzések