
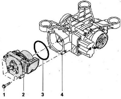
- 1 - Болт із шестигранною головкою, момент затягування 50 Нм, 4 шт.
- 2 - Муфта Haldex із блоком управління
- 3 - Кільце круглого перерізу, обов'язково замінити, перед встановленням змастити олією для муфт Haldex
- 4 - Головна передача
Зняття
Приймальну трубу "А" зафіксувати стяжним ременем "Т10038" на проміжній опорі карданного валу.

Послабити стяжні хомути "стрілки" та зняти задню частину системи випуску ОГ. Зняти шумоізолюючий кожух під силовим агрегатом.

Викрутити болти "1" та "2" нижньої опори силового агрегату.

Послабити болти "стрілки" кріплення проміжної опори карданного валу приблизно на два оберти.

Віджати "двигун і КП" рукою вперед і зафіксувати їх у цьому положенні відповідним дерев'яним бруском "А".

Щоб пізніше не виникли шуми із-за дисбалансу. Якщо міток "стрілки" немає, то позначити положення карданного вала по відношенню до фланця на головному приводі.

Відкрутити кріплення пружної муфти від головної передачі. Укласти ганчірку на поперечину тунелю. Зняти карданний вал разом із пружною муфтою і укласти його на поперечину тунелю.
Інструкція: Для вилучення муфти Haldex потрібен достатній вільний хід до пружної муфти.
Для цього треба поперечину тунелю лише відпустити, але не відкручувати. Підставити піддон для сервісних кранів -VAS 6208- під головну передачу.

Викрутити зливну пробку "А" і повністю злити олію муфти Haldex.

Від'єднати роз'єм "2" від блоку управління повного приводу J492-.

Підставити піддон для сервісних кранів -VAS 6208- під головну передачу. Вкрутити зливну пробку "А" з новим кільцем ущільнювача і затягнути її з моментом 30 Нм. Викрутити болти кріплення "стрілки" та витягти муфту Haldex із задньої головної передачі.

Установка здійснюється у зворотній послідовності. Усі компоненти, взаємне становище яких щодо один одного було позначено, повинні бути встановлені в початкове становище. Встановити нову ущільнювальну манжету "стрілка", попередньо змастивши її маслом для муфт Haldex.

Вставити муфту Haldex в головну задню передачу. Затягнути болти "стрілки" із зазначеним моментом. Підключити роз'єм "2" до блоку управління повного приводу J492-. Затягнути карданний вал. Вільно вирівняти проміжну опору та закріпити. Затягнути поперечку тунелю. Закріпити нижню опору силового агрегату "новими" болтами. Встановити систему випуску ОГ (стежити за відсутністю перекосів). Встановити шумоізоляцію. Залити нову олію для муфт Haldex, перевірити рівень олії в муфті Haldex. Момент затяжки: муфта Haldex до задньої головної передачі – 50 Нм.

Коментарі відвідувачів