Оглавление: Снятие ↓ Установка ↓
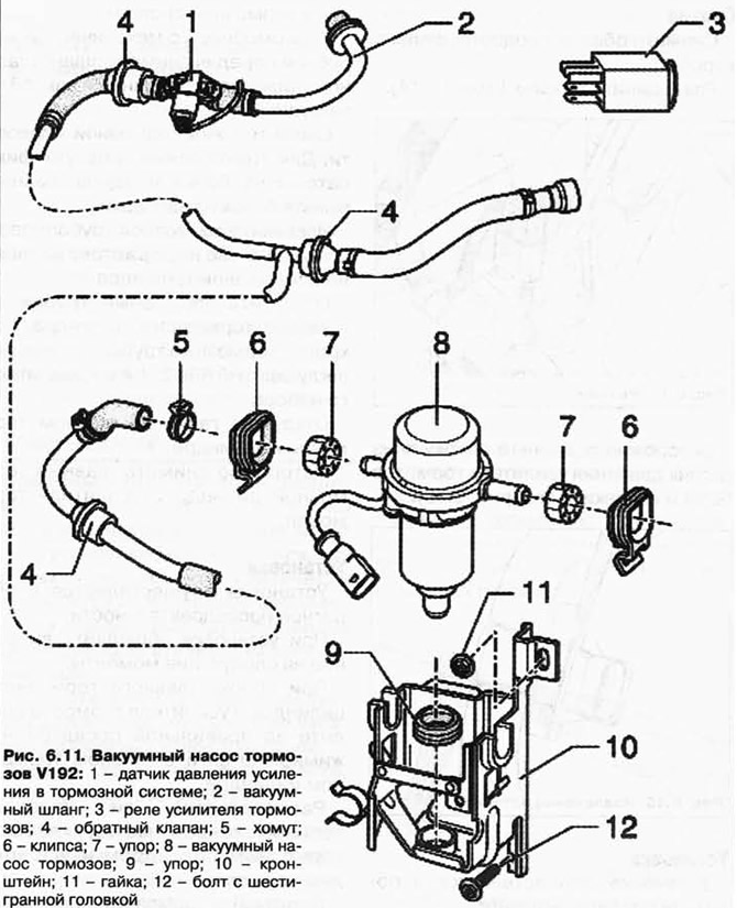
Рис. 6.11. Вакуумный насос тормозов V192:
1 - датчик давления усиления в тормозной системе; 2 - вакуумный шланг; 3 - реле усилителя тормозов; 4 - обратный клапан; 5 - хомут; 6 - клипса; 7 - упор; 8 - вакуумный насос тормозов; 9 - упор; 10 - кронштейн; 11 - гайка; 12 - болт с шестигранной головкой.
ПРИМЕЧАНИЕ: Этот насос устанавливается только на автомобили с бензиновым двигателем и автоматической коробкой передач. Ремонт вакуумного насоса тормозов не осуществляется. Если есть ошибка - замените вакуумный насос тормозов.
Снятие
Разъедините разъем 1.
Снимите вакуумный шланг 2 с вакуумного насоса тормозов V192 (рис. 6.12).
Информация представлена на сайте VWmanual.ru

Разблокируйте клипсу в направлении стрелки и извлеките (рис. 6.13).

Снимите вакуумный насос тормозов V192 вверх из держателя.
Установка
Установка осуществляется в обратной последовательности.

Комментарии посетителей