Рис. 456. Использование съемника масляного фильтра
Заменять масляный фильтр следует в соответствии с рекомендациями, приведенными в руководстве по эксплуатации автомобиля. Для снятия фильтра используйте либо съемник масляного фильтра (рис. 456), либо пробейте отверткой корпус фильтра сбоку и, действуя отверткой как рычагом, отверните фильтр.
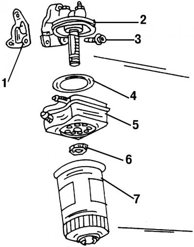
Рис. 457. Крепление масляного фильтра: 1 - прокладка основания фильтра; 2 - основание масляного фильтра; 3 - болт, 25 Н·м; 4 - уплотнительное кольцо; 5 - масляный радиатор; 6 - гайка, 25 Н·м; 7 - масляный фильтр
Если с двигателя снимается основание фильтра, то при сборке следует установить новую прокладку. Затяните болт основания фильтра моментом 25 Н·м. Не наносите на прокладку никакой смазки. Способ крепления масляного фильтра показан на рис. 457.
Рекомендации по установке фильтра написаны на наклейке на корпусе фильтра.
Установите на фильтр новое уплотнительное кольцо, которое должно быть легко смазано по периметру. Накрутите новый фильтр рукой, не используя никакого инструмента для его затяжки.
Примечание. Если при затяжке фильтра вы воспользуетесь специальным ключом, то при следующей замене масла может получиться так, что вы с большим трудом сумеете отвернуть старый фильтр.
Проверьте уровень масла, и при необходимости долейте масло в двигатель.
После того, как автомобиль проедет несколько километров, обязательно проверьте, не протекает ли масло через место соединения фильтра с цоколем фильтра.

Комментарии посетителей