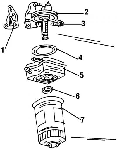
Рис. 457. Крепление масляного фильтра: 1 - прокладка основания фильтра; 2 - основание масляного фильтра; 3 - болт, 25 Н·м; 4 - уплотнительное кольцо; 5 - масляный радиатор; 6 - гайка, 25 Н·м; 7 - масляный фильтр
Масляный радиатор герметизирован на основании фильтра уплотнительным кольцом (рис. 457). Момент затягивания гайки — 25 Н·м.

Комментарии посетителей