Српски Русский
English
Български
Беларускі
Український
Hrvatski
Română
Polski
Slovenský
Magyar
  |  Чланци  |  Мапа сајта  |  Контакти  |  Претрага  |
Одржавање аутомобила Ford Одржавање аутомобила Hyundai Одржавање аутомобила Chevrolet Одржавање аутомобила BMW Одржавање аутомобила Audi Одржавање аутомобила Opel Одржавање аутомобила AvtoVAZ
VWmanual.ru
 
 
 
 
 
 
 
 
Главна   Passat   Golf   Polo   Touareg   Tiguan   Sharan   Transporter   Остало  
Тигуан 1 (2007-2015)

Уклањање и уградња сензора температуре ваздушног канала у простору за ноге (VW Tiguan 1)

  • Главна
  • Tiguan
  • Тигуан 1
  • Електрична опрема
  • Грејање и климатизација
  • Уклањање и уградња сензора температуре в…
            0




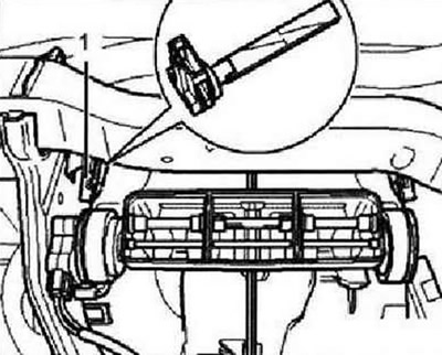
Уклоните предњу плочу. Одвојите конектор од сензора температуре ваздушног канала у простору за ноге "G192" "1". Сензор температуре "G192" окрените за 90° и извадите из кућишта.

Овај чланак је доступан на руски, енглески, бугарски, белоруски, украјински, хрватски, румунски, пољски, словачки, мађарски
Текст је проверен: Тарасов Иван

Поделите информације:

Претходни чланци
Уклањање и уградња погонског мотора клапне за контролу температуре
Уклањање и уградња мотора покретача клапна рециркулације ваздуха
Провера одводног црева за кондензат воде модула грејања и климатизације
Електрични конектори ротационе контролне јединице грејача и система климатизације Climatic
Уклањање и уградња ротационе контролне јединице грејача и клима уређаја Climatic
Функције контролних тастера за грејач и систем климатизације Climatic
Следећи чланци
Уклањање и уградња сензора температуре централног дефлектора
Сензор спољне температуре
Аутоматски систем контроле климе Climatronic
Локација делова и јединица система климатизације Climatronic унутар аутомобила
Електрични конектори контролне јединице Climatronic
Уклањање и инсталирање контроле климе и индикаторске табле Climatronic


Слични чланци из других приручника за аутомобиле VW:
Провера сензора температуре улазног ваздуха Фолксваген Пассат Б4 (1988-1996)
Провера сензора температуре система пред-светљења (сви мотори) Фолксваген Голф 3 (1991-1997)
Провера сензора температуре расхладне течности Фолксваген Поло 3 (1995-2003)
Отварање хаубе у моторном простору Фолксваген Туарег 1 (2002-2006)
Провера ваздушног филтера Фолксваген Шаран 1 (1995-2000)
Вредност отпора сензора температуре Фолксваген Транспортер Т4 (1990-2003)
Уклањање и уградња украса у простору за ноге Фолксваген Кадди 3 (2003-2010)
Линк до ове странице у различитим форматима
HTMLTextBB Code


Коментари посетилаца


Још нема коментара


Колико ће бити 31 + 25 =

       





Тигуан 1 
  • Опште информације
  • Карактеристике
  • Преглед возила
  • Погонски агрегат
  • Мотор 1.4 л BWK
  • Мотор 1.4 л CAVA
  • Мотор 2.0 л (бензин)
  • Мотор 2.0 л (дизел)
  • Трансмисија
  • 6-степени МКПП 0A6
  • 6-степени АКПП 09M
  • Дриве вратила
  • Шасија
  • Предња суспензија
  • Задња суспензија (2x4)
  • Задња суспензија (4x4)
  • Ваздушна суспензија
  • Точка дискови
  • Кочиони систем
  • Управни механизам
  • Каросерије
  • Спољни опрема
  • Унутрашња опрема
  • Електрична опрема
  • Напајање уређаја
  • Инструменти и осветљење
  • Комуникациони системи
  • Грејање и климатизација
  • Електричне шеме
VWmanual.ru © 2016-2025 | Мобилна верзија | Вести и чланци | Мапа сајта: EN BG BY UA RS HR RO PL SK HU | Напиши писмо | Претрага сајта
Пассат Б2 • Пассат Б3 • Пассат Б4 • Пассат Б5 • Пассат Б6 • Голф 1, дизел • Голф 1, бензин • Голф 2, бензин • Голф 2 • Голф 3 • Голф 4 • Голф 5 • Поло 3 • Поло 4 • Туарег 1 • Тигуан 1 • Шаран 1 • Транспортер Т3 • Транспортер Т4 • Буба • Кадди 3 •