IBIZA
Снятие
Снять радио и вещевой ящик или соответственно снять блок навигационной системы.

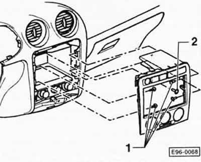
Вывернуть винты -1/2-, а при необходимости вывернуть дополнительно и нижние винты.
Потянуть накладку консоли радио/ узла управления системой отопления назад, разъединить штекерные разъемы выключателей и накладку снять.
Установка
Установка выполняется в обратной последовательности.
POLO
Снятие

Примечание: для большей наглядности приборная панель на рисунке показана при снятом рулевом колесе.
Вставить в прорези у радио съемники от VW «А» и вынуть радио из монтажной ниши, см. главу «Снятие и установка радио».
Вынуть вещевой ящик «1». 2 — накладка консоли радио/узла управления системой отопления.
Указание: у автомобиля с навигационной системой вместо радио и вещевого ящика снять блок навигационной системы.

С помощью отвертки осторожно отжать накладку «1» панели управления системой отопления. Поворотные выключатели снимать для этого не нужно.
Указание: чтобы избежать повреждений, следует подложить под отвертку прокладку.

Вжать стопорные пластины «3» и вынуть из приборной панели держатель емкостей для напитков «1».
Открепить накладку «2» слева.

Освободить стопорные пластины «стрелки» и движением вверх вынуть из приборной панели вещевой ящик.

Вывернуть 2 винта «стрелки» в монтажной нише вещевого ящика.

Вывернуть 6 винтов «стрелки».

Вывернуть 2 винта «стрелки» и накладку консоли радио/узла управления системой отопления потянуть немного назад.
Разъединить штекерные разъемы выключателей и накладку консоли радио/узла управления системой отопления вместе с обдувателем вынуть из приборной панели и снять.
Установка
Установка выполняется в обратной последовательности.

Комментарии посетителей