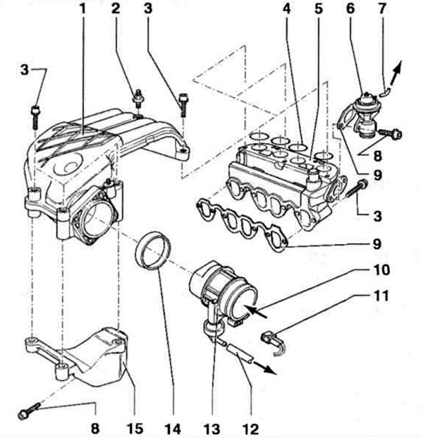
Рис. 7.9 а. Впускной коллектор двигателей AGP, AQM:
1 - Верхняя часть впускного коллектора; 2, 3, 8 - Болты; 4 - Уплотнительное кольцо; 5 - Нижняя часть впускного коллектора; 6 - Клапан рециркуляции отработавших газов (механический); 7 - Вакуумная трубка к клапану рециркуляции отработавших газов; 9 - Прокладка; 10 - От воздушного фильтра; 11 - Разъем проводки, черный, двухконтактный, для клапана переключения впускного коллектора; 12 - Вакуумная трубка к перепускному клапану; 13 - Воздухозаборный патрубок с заслонкой впускного коллектора и клапаном переключения впускного коллектора; 14 - Сальник; 15 - Кронштейн.
Рис. 7.9 б. Впускной коллектор двигателя AYQ:
1 - Верхняя часть впускного коллектора; 2, 3, 7, 9 - Болты; 4 - Уплотнительное кольцо; 5 - Нижняя часть впускного коллектора; 6 - Клапан рециркуляции отработавших газов (механический); 8 - Прокладка; 10 - К воздушному фильтру; 11 - Привод заслонки переключения впускного коллектора; 12 - Кронштейн.
Исходник статьи доступен на: VWMANUAL
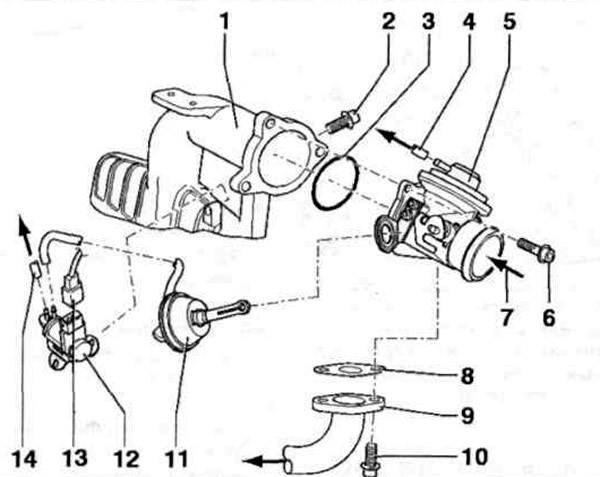
Рис. 7.9 в. Впускной коллектор двигателей AGR, ALH, ASV:
1 - Впускной коллектор; 2, 6, 10 - Болты; 3 - Уплотнительное кольцо; 4 - Вакуумная трубка к клапану рециркуляции отработавших газов; 5 - Воздухозаборный патрубок с заслонкой впускного коллектора и клапаном рециркуляции отработавших газов; 7 - От радиатора интеркулера; 8 - Прокладка; 9 - Соединительный патрубок; 11 - Вакуумный элемент; 12 - Клапан переключения впускного коллектора; 13 - Разъем проводки, черный, двухконтактный, для клапана переключения впускного коллектора; 14 - Вакуумная трубка к перепускному клапану.

Комментарии посетителей