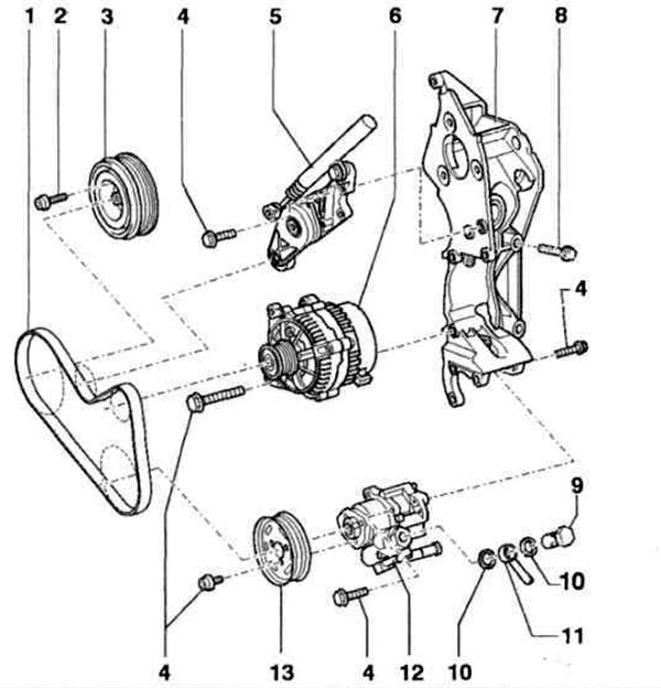
Рис. 7.2 а. Элементы двигателей:
1 - Ребристый ремень: 2, 4, 8, 9 - Болты; 3 - Шкив коленчатого вала/демпфер; 5 - Натяжитель -ребристого ремня (только на двигателях AGR, ALH, ASV); 6 - Генератор; 7 - Кронштейн; 10 - Сальник; 11 - Нагнетающий трубопровод; 12 - Насос усилителя рулевого управления; 13 - Шкив насоса усилителя рулевого управления.
Рис. 7.2 б. Элементы двигателей:
1, 2, 3, 6, 11, 13, 14, 19, 27 - Болты, 4, 12 - Гайки; 5 - Нижняя часть кожуха ремня ГРМ; 7 - Центральная часть кожуха ремня ГРМ; 8 - Верхняя часть кожуха ремня ГРМ; 9 - Зубчатый ремень ГРМ; 10, 17, 22 - Промежуточные ролики (только на двигателях AGR, ALH, ASV); 15 - Шкив распределительного вала; 16 - Натяжной ролик ремня ГРМ; 18 - Шкив ТВНД; 20 - Задний кожух ремня ГРМ; 21 - Насос системы охлаждения; 23 - Зубчатый шкив коленчатого вала; 24 - Втулка; 25 - ТВНД; 26 - Кронштейн.
[Оригинал текста можно найти на портале: VWMANUAL]

Комментарии посетителей