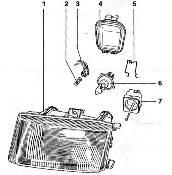
Рис. 12.21. Фара:
1 - Фара; 2 - Лампочка указателя поворота; 3 - Патрон; 4 - Крышка; 5 - Пружинный фиксатор; 6 - Двухнитевая лампочка для ближнего и дальнего света фар; 7 - Привод регулятора угла наклона света фары.
Произведите регулировку фары через отверстия А и В с помощью отвертки: А - Поперечная регулировка, В - Регулировка по высоте (рис. 12.22).


Комментарии посетителей