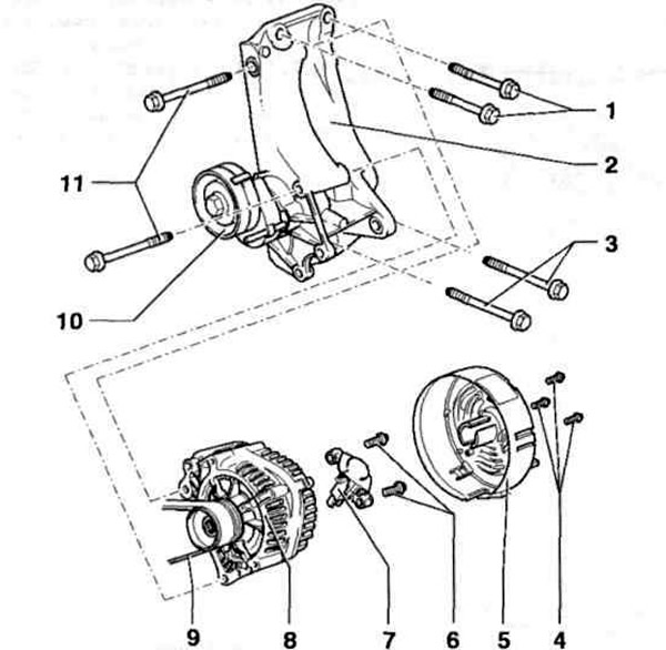
Рис. 12.5 а. Генератор автомобилей с бензиновыми двигателями 1.4 л до 04.99 г. выпуска:
1, 2, 9, 10, 11 - Болты, 3 - Крышка; 4 - Винты; 5 - Регулятор напряжения; б - Генератор; 7 - Ребристый ремень; 8 - Натяжной рычаг; 12 - Кронштейн.
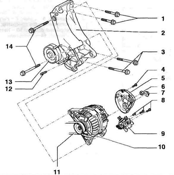
Рис. 12.5 б. Генератор автомобилей с бензиновыми двигателями 1.4 л с 05.99 г. выпуска:
1, 11, 12, 13 - Болты; 2, 6 - Винты; 3 - Крышка; 4, 5 - Гайки; 7 - Регулятор напряжения; 8 - Генератор; 9 - Ребристый ремень; 10 - Натяжной рычаг; 14 - Кронштейн.
Рис. 12.5 в. Генератор автомобилей с бензиновыми двигателями 1.4 л до 04.99 г. выпуска с гидроусилителем рулевого управления:
1, 3, 4, 11 - Болты; 2 - Кронштейн; 5 - Крышка; 6 - Винты; 7 - Регулятор напряжения; 8 - Генератор; 9 - Ребристый ремень; 10 - Натяжной ролик.
Рис. 12.5 г. Генератор автомобилей с бензиновыми двигателями 1.4 л с 05.99 г. выпуска с гидроусилителем рулевого управления:
1, 3, 14 - Болты; 2 - Кронштейн; 4, 8 - Винты; 5 - Крышка; 6, 7 - Гайки; 9 - Регулятор напряжения; 10 - Генератор; 11 - Ребристый ремень; 12 - Шпилька; 13 - Натяжной ролик.
Текст скопирован с этого портала: vwmanual
Рис. 12.5 д. Генератор автомобилей с бензиновыми двигателями 1.6 и 1.8 л до 04.99 г. выпуска:
1 - Кронштейн: 2 - Натяжной элемент с натяжным роликом; 3 - Гайки; 4 - Генератор; 5 - Регулятор напряжения; 6, 8 - Винты; 7 - Крышка; 9 - Ребристый ремень; 10 - Болты; 11 - Натяжной ролик.
Рис. 12.5 е. Генератор автомобилей с бензиновыми двигателями 1.6 и 1.8 л с 05.99 г. выпуска:
1 - Болты; 2 - Натяжной ролик; 3 - Кронштейн; 4 - Натяжной элемент с натяжным роликом; 5, 9, 10 - Гайки; 6 - Генератор; 7 - Крышка; 8, 11 - Винты; 12 - Регулятор напряжения; 13 - Ребристый ремень.
Рис. 12.5 ж. Генератор автомобилей с дизельными двигателями до 04.99 г. выпуска:
1 - Кронштейн; 2 - Натяжной элемент с натяжным роликом; 3 - Гайки; 4 - Генератор; 5 - Регулятор напряжения; 6, 8 - Винты; 7 - Крышка; 9 - Ребристый ремень; 10 - Резьбовая втулка; 11 - Натяжной ролик; 12, 13 - Болты.
Рис. 12.5 з. Генератор автомобилей с дизельными двигателями с 05.99 г. выпуска:
1 - Кронштейн; 2 - Натяжной элемент с натяжным роликом; 3 - Гайки; 4 - Генератор; 5 - Крышка; 6, 9 - Винты; 7, 8 - Гайки; 10 - Регулятор напряжения; 11 - Ребристый ремень; 12 - Резьбовая втулка; 13 - Натяжной ролик; 14, 15 - Болты.

Комментарии посетителей