Съдържание: Премахване ↓ Монтиране ↓
Премахване

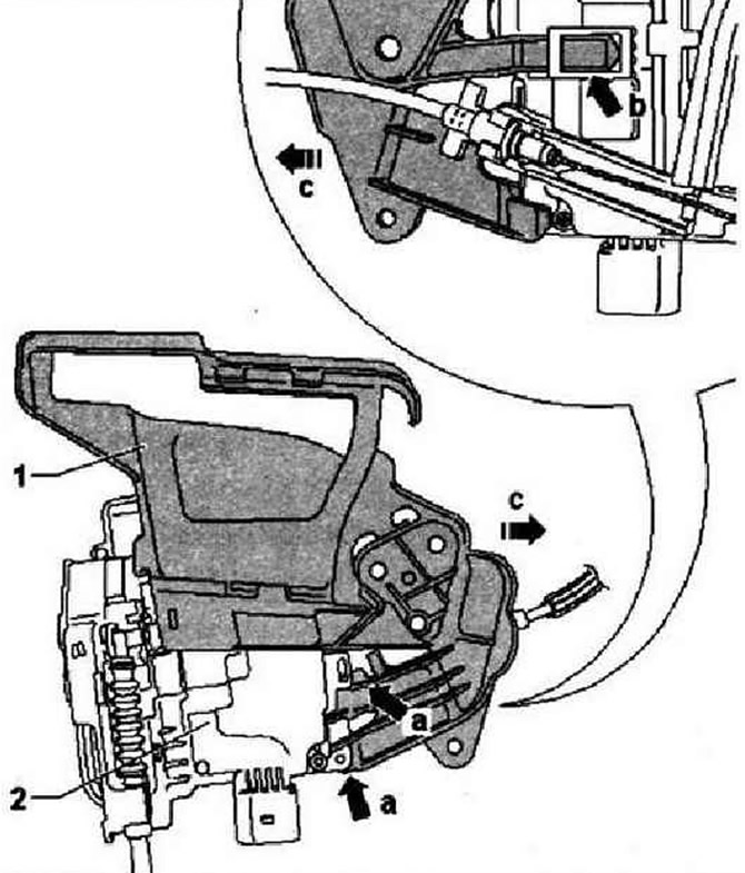
Отстранете опорния панел. Отключете ключалките "стрелка a". Отстранете скобата "1" от ключалката на вратата "2" "стрелка c".
Монтиране
Избутване скоба за кацане място в замъка "стрелка b". Защелкнув прислужници, подпре на стена "1" и заключване на вратите "2" помежду си "стрелка а".
Вижте оригиналната статия на ресурса [www.VWManual.ru]

Коментари на посетители