
- 1 - Nosník zadného nárazníka
- 2 - skrutka, 3 ks. vľavo, 4 ks. vpravo, 20 Nm
- 3 - Pravý penový tlmič, pripevnený k nosníku nárazníka obojstrannou lepiacou páskou
- 4 - Ľavý penový tlmič, pripevnený k nosníku nárazníka obojstrannou lepiacou páskou
Nosník zadného nárazníka v americkej verzii

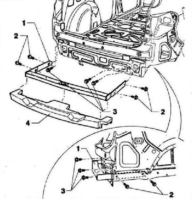
- 1 - Nosník zadného nárazníka
- 2 - Skrutka, 2 ks. na každej strane 20 Nm
- 3 - Skrutka. Skrutky - zátky, 1 ks. vľavo, 2 ks. vpravo, 20 Nm. Skrutky "3" sú zátky, ktoré izolujú priestor pre cestujúcich od výfukových plynov a musia byť vždy dotiahnuté
- 4 - Skrutka, 1 ks. vľavo, 2 ks. vpravo, 20 Nm
- 5 - Penový tlmič, pripevnený k nosníku nárazníka obojstrannou lepiacou páskou

Komentáre návštevníkov