Оглавление: Таблица 11.7. Технические данные…↓ Таблица 11.8 а. Технические данные…↓ Таблица 11.8 б. Технические данные…↓ Таблица 11.9. Технические данные…↓ Таблица 11.10. Технические данные…↓
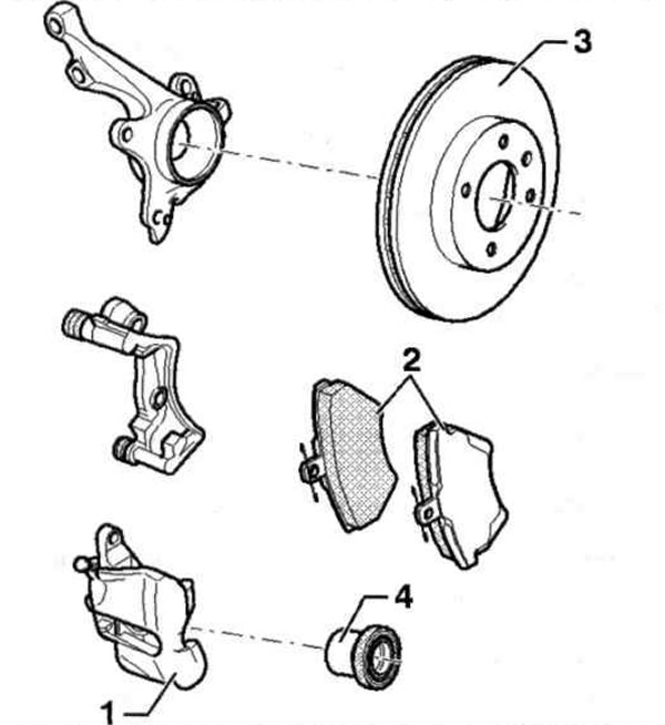
Автомобили с передними тормозными механизмами с тормозным суппортом VW II показаны на рис. 11.7, технические данные приведены в таблице 11.7.
Рис. 11.7. Автомобили с тормозным суппортом VW II:
1 - Тормозной суппорт; 2 - Тормозные колодки; 3 - Тормозной диск; 4 - Поршень.
Таблица 11.7. Технические данные тормозных механизмов VW II

Автомобили с тормозным суппортом Lucas показаны на рис. 11.8 и приведены в таблицах 11.8 а.б.
Рис. 11.8. Автомобили с тормозным суппортом Lucas:
1 - Тормозной суппорт; 2 - Тормозные колодки; 3 - Тормозной диск; 4 - Поршень.
Таблица 11.8 а. Технические данные тормозных механизмов Lucas

Таблица 11.8 б. Технические данные тормозных механизмов Lucas

Автомобили с задними барабанными тормозными механизмами показаны на рис. 11.5, технические данные приведены в таблице 11.9.
Смотрите оригинал на веб-сайте (VWManual)
Таблица 11.9. Технические данные задних барабанных тормозных механизмов

Автомобили с задними дисковыми тормозными механизмами показаны на рис. 11.6, технические данные приведены в таблице 11.10.
Таблица 11.10. Технические данные задних дисковых тормозных механизмов


Комментарии посетителей