Оглавление: Таблица 11.1. Технические данные…↓ Таблица 11.2. Технические данные…↓ Таблица 11.3. Технические данные…↓ Таблица 11.4 а. Технические данные…↓ Таблица 11.4 б. Технические данные…↓ Таблица 11.5 а. Технические данные…↓ Таблица 11.5 б. Технические данные…↓ Таблица 11.6. Технические данные…↓
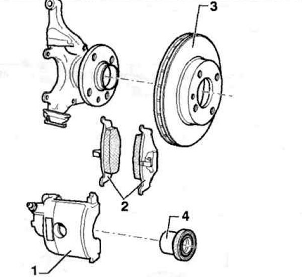
Автомобили с передними тормозными механизмами с тормозным суппортом VW I показаны на рис. 11.1 технические данные приведены в таблице 11.1.
Рис. 11.1. Автомобили с передними тормозными механизмами с тормозным суппортом VW I:
1 - Тормозной суппорт; 2 - Тормозные колодки; 3 - Тормозной диск; 4 - Поршень.
Таблица 11.1. Технические данные передних тормозных механизмов VW I

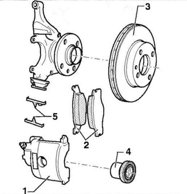
Автомобили с передними тормозными механизмами с тормозным суппортом VW II и фиксаторами тормозных колодок показаны на рис. 11.2, технические данные приведены в таблице 11.2.
Рис. 11.2. Автомобили с передними тормозными механизмами с тормозным суппортом VW II и фиксаторами тормозных колодок:
1 - Тормозной суппорт; 2 - Тормозные колодки; 3 - Тормозной диск; 4 - Поршень; 5 - Фиксаторы тормозных колодок.
Таблица 11.2. Технические данные передних тормозных механизмов VW II с фиксаторами тормозных колодок

Автомобили с передними тормозными механизмами с тормозным суппортом VW II показаны на рис. 11.3, технические данные приведены в таблице 11.3.
Рис. 11.3. Автомобили с передними тормозными механизмами с тормозным суппортом VW II:
1 - Тормозной суппорт; 2 - Тормозные колодки; 3 - Тормозной диск; 4 - Поршень.
Таблица 11.3. Технические данные передних тормозных механизмов VW II

Автомобили с передними тормозными механизмами с тормозным суппортом Girling/Lucas показаны на рис. 11.4, технические данные приведены в таблицах 11.4 а,б.
Рис. 11.4. Автомобили с передними тормозными механизмами с тормозным суппортом Lucas:
1 - Тормозной суппорт; 2 - Тормозные колодки; 3 - Тормозной диск; 4 - Поршень.
Таблица 11.4 а. Технические данные передних тормозных механизмов Lucas

Таблица 11.4 б. Технические данные передних тормозных механизмов Lucas

Автомобили с задними барабанными тормозными механизмами показаны на рис. 11.5, технические данные приведены в таблицах 11.5 а,б.
Рис. 11.5. Автомобили с задними барабанными тормозными механизмами:
1 - Колесный тормозной цилиндр; 2 - Тормозная колодка; 3 - Тормозной барабан.
Таблица 11.5 а. Технические данные задних барабанных тормозных механизмов

Таблица 11.5 б. Технические данные задних барабанных тормозных механизмов

Смотрите оригинал на этом портале: VWMANUAL
Автомобили с задними дисковыми тормозными механизмами показаны на рис. 11.6, технические данные приведены в таблице 11.6.
Рис. 11.6. Автомобили с задними дисковыми тормозными механизмами:
1 - Тормозной диск; 2 - Тормозные колодки; 3 - Поршень тормозного суппорта.
Таблица 11.6. Технические данные задних дисковых тормозных механизмов


Комментарии посетителей