Български Русский
English
Беларускі
Український
Српски
Hrvatski
Română
Polski
Slovenský
Magyar
  |  Статии  |  Карта на сайта  |  Контакти  |  Търсене  |
Поддръжка на автомобили Ford Поддръжка на автомобили Hyundai Поддръжка на автомобили Chevrolet Поддръжка на автомобили BMW Поддръжка на автомобили Audi Поддръжка на автомобили Opel Поддръжка на автомобили AvtoVAZ
VWmanual.ru
 
 
 
 
 
 
 
 
Главна   Passat   Golf   Polo   Touareg   Tiguan   Sharan   Transporter   Друго  
Tiguan 1 (2007-2015)

Вътрешни закрепващи части на облицовката на задната броня (VW Tiguan 1)

  • Главна
  • Tiguan
  • Tiguan 1
  • Каросерия
  • Външно оборудване
  • Вътрешни закрепващи части на облицовката…
            0



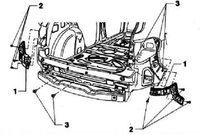
  • 1 - Водач, ляво и дясно
  • 2 - Болтове по 3 бр от всяка страна 3,5 Nm
  • 3 - Дистанционна вложка, 6 бр

Тази статия е достъпна на руски, английски, беларуски, украински, сръбски, хърватски, румънски, полски, словашки, унгарски
Текстът е проверен: Тарасов Иван

Сподели информация:

Предишни статии
Допълнителни части за тапицерия на задната броня
Премахване и монтиране на облицовката на задната броня
Облицовка на задната броня
Части и компоненти за предна броня
Допълнителни части за тапицерия на предната броня
Сваляне и поставяне на облицовката на предната броня
Следващи статии
Греда на задната броня
Опън-прикачното устройство
Лепено стъкло
Стъкло на предната врата
Премахване и монтиране на двигателя за повдигане на прозореца
Сваляне и поставяне на водача на стъклото


Подобни статии от други ръководства за автомобили VW:
Премахване и монтиране на облицовката на задната броня Фолксваген Passat B6 (2005-2010)
Телескопичен ограничител на задната врата Фолксваген Golf 1 (1974-1984, бензин)
Предна и задна броня Фолксваген Polo 3 (1995-2003)
Премахване и монтиране на облицовката на задната броня Фолксваген Touareg 1 (2002-2006)
Грижа за пластмасови части Фолксваген Transporter T4 (1990-2003)
Списък на части и възли на задната спирачка Фолксваген Caddy 3 (2003-2010)
Връзка към тази страница в различни формати
HTMLTextBB Code


Коментари на посетители


Без коментари все още


Колко ще 18 + 20 =

       





Tiguan 1 
  • Обща информация
  • Характеристики
  • Устройство на автомобила
  • Силовия агрегат
  • Двигател 1.4 BWK
  • Двигател 1.4 CAVA
  • Двигател 2.0 (бензин)
  • Двигател 2.0 (дизел)
  • Трансмисия
  • 6-степенна ръчна кутия 0A6
  • 6-степенна автоматична кутия 09M
  • Задвижващи валове
  • Шаси
  • Предно окачване
  • Задно окачване (2x4)
  • Задно окачване (4x4)
  • Въздушно окачване
  • Колела и джанти
  • Спирачна система
  • Кормилен механизъм
  • Каросерия
  • Външно оборудване
  • Вътрешно оборудване
  • Електрическо оборудване
  • Захранващи устройства
  • Инструменти и осветление
  • Комуникационни системи
  • Отопление и климатизация
  • Електрически схеми
VWmanual.ru © 2016-2025 | Мобилна версия | Новини и статии | Карта на сайта: EN BG BY UA RS HR RO PL SK HU | Напиши писмо | Търсене в сайта
Passat B2 • Passat B3 • Passat B4 • Passat B5 • Passat B6 • Golf 1, дизел • Golf 1, бензин • Golf 2, бензин • Golf 2 • Golf 3 • Golf 4 • Golf 5 • Polo 3 • Polo 4 • Touareg 1 • Tiguan 1 • Sharan 1 • Transporter T3 • Transporter T4 • Beetle • Caddy 3 •