
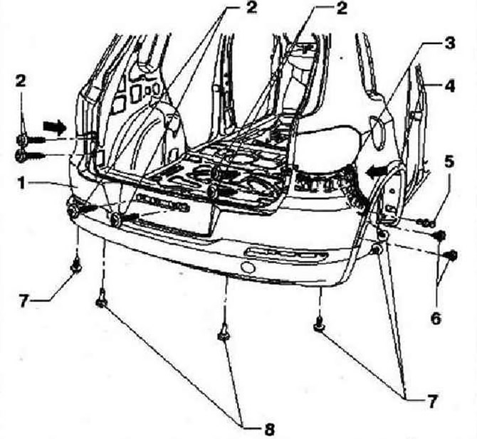
- 1 - Облицовка заднего бампера из материала РР (полипропилен)/ЕРРМ
- 2 - Болт, 6 шт., 3,5 Нм
- 3 - Направляющая, бампер скреплен с направляющей
- 4 - Накладка
- 5 - Распорный пистон, слева и справа
- 6 - Фиксирующие крючки, на облицовке колесной арки, для снятия бампера должны быть отцеплены
- 7 - Болт, крепления подкрылка, 2 Нм
- 8 - Болт, 2 шт., 6 Нм

Комментарии посетителей