Русский English
Български
Беларускі
Український
Српски
Hrvatski
Română
Polski
Slovenský
Magyar
  |  Статьи  |  Карта сайта  |  Контакты  |  Поиск  |
Обслуживание автомобилей Ford Обслуживание автомобилей Hyundai Обслуживание автомобилей Chevrolet Обслуживание автомобилей BMW Обслуживание автомобилей Audi Обслуживание автомобилей Opel Обслуживание автомобилей AvtoVAZ
VWmanual.ru
 
 
 
 
 
 
 
 
Главная   Passat   Golf   Polo   Touareg   Tiguan   Sharan   Transporter   Другие  
Поло 3 (1995-2003) Поло 4 (2001-2009)

Выключатель сигнализатора ручного тормоза, контакт уровня тормозной жидкости... (VW Polo 4)

  • Главная
  • Polo
  • Поло 4
  • Электрооборудование
  • Электрические схемы
  • Выключатель сигнализатора ручного тормоз…
            0


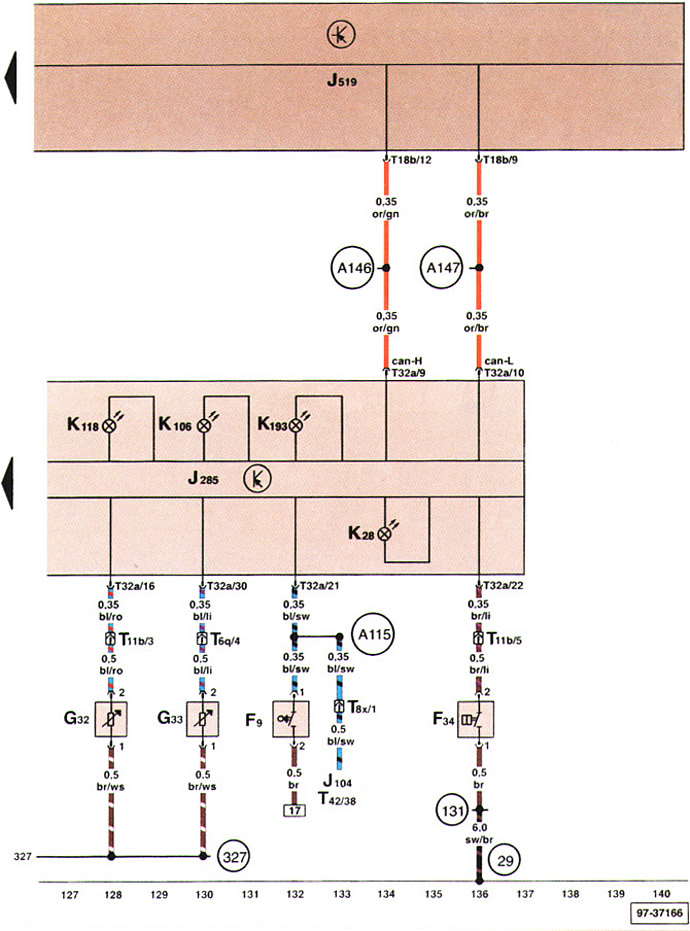
Выключатель сигнализатора ручного тормоза, сигнальный контакт уровня тормозной жидкости, датчик указателя низкого уровня охлаждающей жидкости, датчик указателя низкого уровня жидкости для омывания стекол.




Эта статья доступна на английском, болгарском, белорусском, украинском, сербском, хорватском, румынском, польском, словацком, венгерском
Текст был проверен: Семенова Анна

Поделитесь информацией:

Предыдущие статьи
Блок управления с блоком показывающих приборов в щитке приборов...
Диагностический интерфейс шины данных, диагностический разъем, реле звукового сигнала...
Держатель предохранителей, розетка на 12 вольт
Блок управления электрической бортовой сетью, держатель предохранителей
Выключатель вентилятора свежего воздуха, выключатель нагревательного элемента...
Контактные выключатели задней двери, спинки заднего сиденья, капота моторного отсека...
Следующие статьи


Похожие статьи из других мануалов для автомобилей VW:
Лампа ручного тормоза и датчик уровня жидкости стеклоомывателя Фольксваген Пассат B5 (1996-2005)
Двухтональный сигнал, сигнализация затяжки ручного тормоза и контроля уровня тормозной жидкости (модели 1,1, 1,3 и 1,6 до 07.87 г.) Фольксваген Гольф 2 (1984-1993, бензин)
Слив и залив охлаждающей жидкости (бензиновый двиг.) Фольксваген Туарег 1 (2002-2006)
Снятие и установка датчика уровня жидкости в бачке стеклоомывателя Фольксваген Тигуан 1 (2007-2015)
Проверка уровня тормозной жидкости Фольксваген Шаран 1 (1995-2000)
Стеклоочиститель и стеклоомыватель заднего стекла (V.A.G 1466), контроль ручного тормоза и тормозной жидкости Фольксваген Транспортер Т3 (1979-1992)
Проверка уровня тормозной жидкости Фольксваген Кадди 3 (2003-2010)
Ссылка на эту страницу в разных форматах
HTMLTextBB Code


Комментарии посетителей


Еще нет комментариев


Сколько будет 29 + 17 =

       





Поло 4 
  • Общая информация
  • Руководство по эксплуатации
  • Техническое обслуживание
  • Силовой агрегат
  • Ремонт двигателя
  • Система охлаждения и смазки
  • Система управления
  • Система впрыска (дизель)
  • Система питания
  • Система выпуска
  • Шасси
  • Передняя подвеска
  • Задняя подвеска
  • Рулевое управление
  • Колеса и шины
  • Тормозная система
  • Кузов
  • Интерьер
  • Экстерьер
  • Электрооборудование
  • Оборудование и приборы
  • Система стеклоочистителей
  • Система освещения
  • Электрические схемы
Поло 3 
  • Общая информация
  • Инструкция по эксплуатации
  • Техническое обслуживание
  • Силовой агрегат
  • Бензиновые двигатели 1.4 и 1.6
  • Бензиновые двигатели 1.4 (V16)
  • Бензиновые двигатели 1.6 и 1.8
  • Дизельные двигатели 1.7 и 1.9
  • Дизельные двигатели 1.9 D и TD
  • Трансмиссия
  • Механическая коробка 085
  • Механическая коробка 020/02K
  • Шасси
  • Передняя подвеска
  • Задняя подвеска
  • Рулевое управление
  • Тормозная система
  • Кузов
  • Экстерьер
  • Интерьер
  • Электрооборудование
  • Оборудование и приборы (до 2000 г.)
  • Оборудование и приборы (после 2000 г.)
  • Электрические схемы
  • Электрические схемы (бензин)
  • Электрические схемы (дизель)
Анекдот про автомобили
читать следующий
VWmanual.ru © 2016-2025 | Мобильная версия | Новости и статьи | Карта сайта: EN BG BY UA RS HR RO PL SK HU | Написать письмо | Поиск по сайту
Пассат B2 • Пассат B3 • Пассат B4 • Пассат B5 • Пассат B6 • Гольф 1, дизель • Гольф 1, бензин • Гольф 2, бензин • Гольф 2 • Гольф 3 • Гольф 4 • Гольф 5 • Поло 3 • Поло 4 • Туарег 1 • Тигуан 1 • Шаран 1 • Транспортер Т3 • Транспортер Т4 • ЛТ 28/35 • Жук • Кадди 3 • Автоновости компании VW • Начинающему автомобилисту • Сгорание в поршневых моторах • Карбюраторы фирмы Pierburg • Ремонт и обслуживание моторов