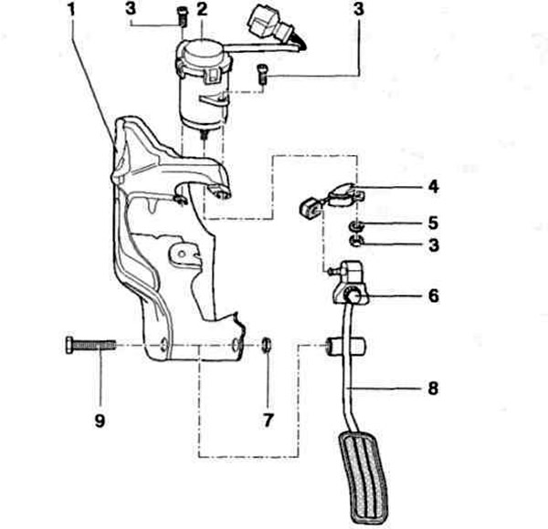
Рис. 7.34. Педаль акселератора:
1 - Кронштейн; 2 - Датчик положения педали акселератора; 3 - Болт с гайкой; 4 - Кулачок троса акселератора; 5 - Гравер; 6 - Регулировочный болт; 7 - Гайка; 8 - Педаль акселератора; 9 - Болт.
Установка кулачка троса акселератора
Установочное положение кулачка троса акселератора показано на рис. 7.35.


Комментарии посетителей