Русский English
Български
Беларускі
Український
Српски
Hrvatski
Română
Polski
Slovenský
Magyar
  |  Статьи  |  Карта сайта  |  Контакты  |  Поиск  |
Обслуживание автомобилей Ford Обслуживание автомобилей Hyundai Обслуживание автомобилей Chevrolet Обслуживание автомобилей BMW Обслуживание автомобилей Audi Обслуживание автомобилей Opel Обслуживание автомобилей AvtoVAZ
VWmanual.ru
 
 
 
 
 
 
 
 
Главная   Passat   Golf   Polo   Touareg   Tiguan   Sharan   Transporter   Другие  
Поло 3 (1995-2003) Поло 4 (2001-2009)

Усилитель бампера с креплениями (VW Polo 3)

  • Главная
  • Polo
  • Поло 3
  • Кузов
  • Экстерьер
  • Усилитель бампера с креплениями
            0


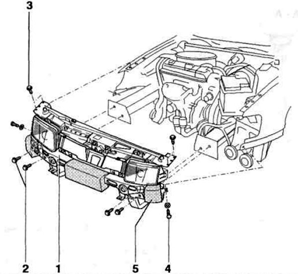
Усилитель бампера с креплениями показан на рис. 13.1.

Рис. 13.1. Усилитель бампера с креплениями:

Рис. 13.1. Усилитель бампера с креплениями:
1 - Усилитель бампера с креплениями; 2, 3, 4 - Болты; 5 - Поглотитель удара.

Эта статья доступна на английском, болгарском, белорусском, украинском, сербском, хорватском, румынском, польском, словацком, венгерском
Текст был проверен: Колесников Артем

Поделитесь информацией:

Предыдущие статьи
Следующие статьи
Переднее крыло
Капот и трос открывания
Крышка топливного бака
Передняя и задняя дверь
Центральный замок
Снятие и установка насоса центрального замка


Похожие статьи из других мануалов для автомобилей VW:
Снятие и установка переднего бампера Пассат B3 (1988-1993)
Усилитель тормозного привода Гольф 3 (1991-1997)
Усилитель руля Туарег 1 (2002-2006)
Облицовка переднего бампера Тигуан 1 (2007-2015)
Гидравлический усилитель — описание конструкции Транспортер Т3 (1979-1992)
Глушитель с креплениями — описание конструкции Кадди 3 (2003-2010)
Ссылка на эту страницу в разных форматах
HTMLTextBB Code


Комментарии посетителей


Еще нет комментариев


Сколько будет 29 + 37 =

       





Поло 4 
  • Общая информация
  • Руководство по эксплуатации
  • Техническое обслуживание
  • Силовой агрегат
  • Ремонт двигателя
  • Система охлаждения и смазки
  • Система управления
  • Система впрыска (дизель)
  • Система питания
  • Система выпуска
  • Шасси
  • Передняя подвеска
  • Задняя подвеска
  • Рулевое управление
  • Колеса и шины
  • Тормозная система
  • Кузов
  • Интерьер
  • Экстерьер
  • Электрооборудование
  • Оборудование и приборы
  • Система стеклоочистителей
  • Система освещения
  • Электрические схемы
Поло 3 
  • Общая информация
  • Инструкция по эксплуатации
  • Техническое обслуживание
  • Силовой агрегат
  • Бензиновые двигатели 1.4 и 1.6
  • Бензиновые двигатели 1.4 (V16)
  • Бензиновые двигатели 1.6 и 1.8
  • Дизельные двигатели 1.7 и 1.9
  • Дизельные двигатели 1.9 D и TD
  • Трансмиссия
  • Механическая коробка 085
  • Механическая коробка 020/02K
  • Шасси
  • Передняя подвеска
  • Задняя подвеска
  • Рулевое управление
  • Тормозная система
  • Кузов
  • Экстерьер
  • Интерьер
  • Электрооборудование
  • Оборудование и приборы (до 2000 г.)
  • Оборудование и приборы (после 2000 г.)
  • Электрические схемы
  • Электрические схемы (бензин)
  • Электрические схемы (дизель)
Анекдот про автомобили
читать следующий
VWmanual.ru © 2016-2025 | Мобильная версия | Новости и статьи | Карта сайта: EN BG BY UA RS HR RO PL SK HU | Написать письмо | Поиск по сайту
Пассат B2 • Пассат B3 • Пассат B4 • Пассат B5 • Пассат B6 • Гольф 1, дизель • Гольф 1, бензин • Гольф 2, бензин • Гольф 2 • Гольф 3 • Гольф 4 • Гольф 5 • Поло 3 • Поло 4 • Туарег 1 • Тигуан 1 • Шаран 1 • Транспортер Т3 • Транспортер Т4 • ЛТ 28/35 • Жук • Кадди 3 • Автоновости компании VW • Начинающему автомобилисту • Сгорание в поршневых моторах • Карбюраторы фирмы Pierburg • Ремонт и обслуживание моторов