Рис. 13.3. Капот:
1 - Капот; 2 - Пробка; 3 - Болт; 4, 13- Уплотнители; 5 - Направляющая; 6 - Крыло; 7 - Резиновый упор; 8, 12 - Фиксаторы; 9 - Упор; 10 - Резиновая втулка; 11 - Уплотнитель водоотделителя.
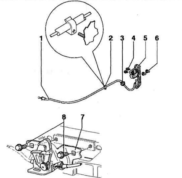
Рис. 13.4. Трос открывания капота:
1 - Трос; 2 - Фиксатор; 3 - Уплотнительная втулка; 4 - Винты; 5 - Рычаг отпирания капота; 6 - Гайка; 7 - Замок капота; 8 - Болты.

Комментарии посетителей