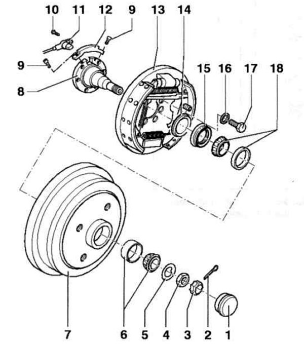
Рис. 9.50. Колесный подшипник автомобилей Caddy до 09.99 г. выпуска:
1 - Крышка; 2 - Шплинт; 3 - Стопорное кольцо; 4 - Гайка; 5 - Упорная шайба; 6 - Наружный подшипник колеса; 7 - Тормозной барабан; 8 - Цапфа колеса; 9, 10 - Болты; 11 - Датчик частоты вращения колеса; 12 - Кронштейн; 13 - Защитный кожух с тормозными колодками.
Рис. 9.51. Колесный подшипник автомобилей Caddy с 10.99 г. выпуска:
1 - Балка задней оси; 2 - Цапфа колеса; 3 - Ступица колеса с колесным подшипником; 4 - Гайка; 5 - Крышка; 6 - Винты; 7 - Тормозной барабан; 8 - Болт; 9 - Трос стояночной тормозной системы; 10 - Защитный кожух с тормозными колодками.
[Оригинальный материал доступен на портале: VWMANUAL.ru]

Комментарии посетителей