Русский English
Български
Беларускі
Український
Српски
Hrvatski
Română
Polski
Slovenský
Magyar
  |  Статьи  |  Карта сайта  |  Контакты  |  Поиск  |
Обслуживание автомобилей Ford Обслуживание автомобилей Hyundai Обслуживание автомобилей Chevrolet Обслуживание автомобилей BMW Обслуживание автомобилей Audi Обслуживание автомобилей Opel Обслуживание автомобилей AvtoVAZ
VWmanual.ru
 
 
 
 
 
 
 
 
Главная   Passat   Golf   Polo   Touareg   Tiguan   Sharan   Transporter   Другие  
Туарег 1 (2002-2006)

Электросхема климатической установки Climatronic (VW Touareg 1)

  • Главная
  • Touareg
  • Туарег 1
  • Электрооборудование
  • Приборы и стеклоочистители
  • Электросхема климатической установки Cli…
            0


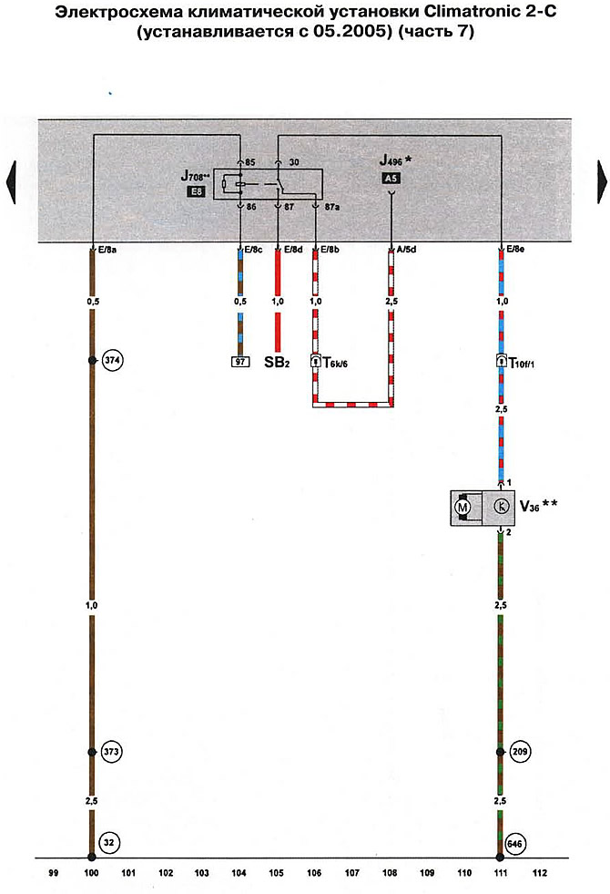
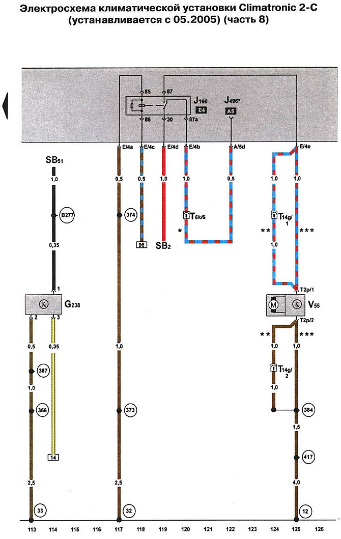
Электросхема климатической установки Climatronic 2-C (устанавливается с 05.2005).
















Эта статья доступна на английском, болгарском, белорусском, украинском, сербском, хорватском, румынском, польском, словацком, венгерском
Текст был проверен: Тарасов Иван

Поделитесь информацией:

Предыдущие статьи
Основные фары с газоразрядными лампами
Снятие и установка сервопривода корректора фар
Корректировка положения фары
Снятие и установка фар
Снятие и установка стеклоочистителя «аэро»
Настройка исходного положения щеток стеклоочистителя
Следующие статьи


Похожие статьи из других мануалов для автомобилей VW:
Электросхема климатической установки Climatronic (часть 1) Фольксваген Пассат B6 (2005-2010)
Нарушения в работе климатической установки Фольксваген Гольф 4 (1997-2004)
Чтение блока измеренных значений и основные установки Фольксваген Поло 3 (1995-2003)
Снятие и установка панели управления и индикации климатической установки Climatronic Фольксваген Тигуан 1 (2007-2015)
Регулировка углов установки передних колес Фольксваген Шаран 1 (1995-2000)
Электросхема фар Фольксваген Транспортер Т4 (1990-2003)
Геометрические параметры установки колес Фольксваген Жук (1960-1986)
Ссылка на эту страницу в разных форматах
HTMLTextBB Code


Комментарии посетителей


Еще нет комментариев


Сколько будет 41 + 43 =

       





Туарег 1 
  • Общая информация
  • Устройство автомобиля
  • Органы управления и приборы
  • Сиденья и безопасность
  • Техобслуживание и управление
  • Силовой агрегат
  • Проверки двигателя
  • Бензиновый двигатель 3.2L
  • Бензиновый двигатель 4.2L
  • Дизельный двигатель 5.0L
  • Система охлаждения
  • Система смазки
  • Система впрыска
  • Система выпуска
  • Система топливоподачи
  • Трансмиссия
  • Автоматическая коробка 09D
  • Механическая коробка 08D
  • Карданный вал
  • Шасси
  • Колеса и шины
  • Передняя подвеска
  • Задняя подвеска
  • Рулевой механизм
  • Тормозная система
  • Кузов
  • Наружные элементы
  • Электрооборудование
  • Аккумулятор
  • Генератор и стартер
  • Приборы и стеклоочистители
Анекдот про автомобили
читать следующий
VWmanual.ru © 2016-2025 | Мобильная версия | Новости и статьи | Карта сайта: EN BG BY UA RS HR RO PL SK HU | Написать письмо | Поиск по сайту
Пассат B2 • Пассат B3 • Пассат B4 • Пассат B5 • Пассат B6 • Гольф 1, дизель • Гольф 1, бензин • Гольф 2, бензин • Гольф 2 • Гольф 3 • Гольф 4 • Гольф 5 • Поло 3 • Поло 4 • Туарег 1 • Тигуан 1 • Шаран 1 • Транспортер Т3 • Транспортер Т4 • ЛТ 28/35 • Жук • Кадди 3 • Автоновости компании VW • Начинающему автомобилисту • Сгорание в поршневых моторах • Карбюраторы фирмы Pierburg • Ремонт и обслуживание моторов