Русский English
Български
Беларускі
Український
Српски
Hrvatski
Română
Polski
Slovenský
Magyar
  |  Статьи  |  Карта сайта  |  Контакты  |  Поиск  |
Обслуживание автомобилей Ford Обслуживание автомобилей Hyundai Обслуживание автомобилей Chevrolet Обслуживание автомобилей BMW Обслуживание автомобилей Audi Обслуживание автомобилей Opel Обслуживание автомобилей AvtoVAZ
VWmanual.ru
 
 
 
 
 
 
 
 
Главная   Passat   Golf   Polo   Touareg   Tiguan   Sharan   Transporter   Другие  
Шаран 1 (1995-2000)

Электросхемы для Volkswagen Sharan, базовая комплектация (VW Sharan 1)

  • Главная
  • Sharan
  • Шаран 1
  • Электрооборудование
  • Электрические схемы
  • Электросхемы для Volkswagen Sharan, базо…
            0


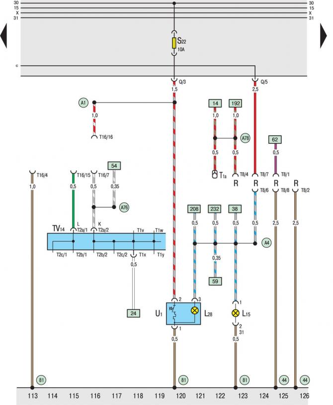
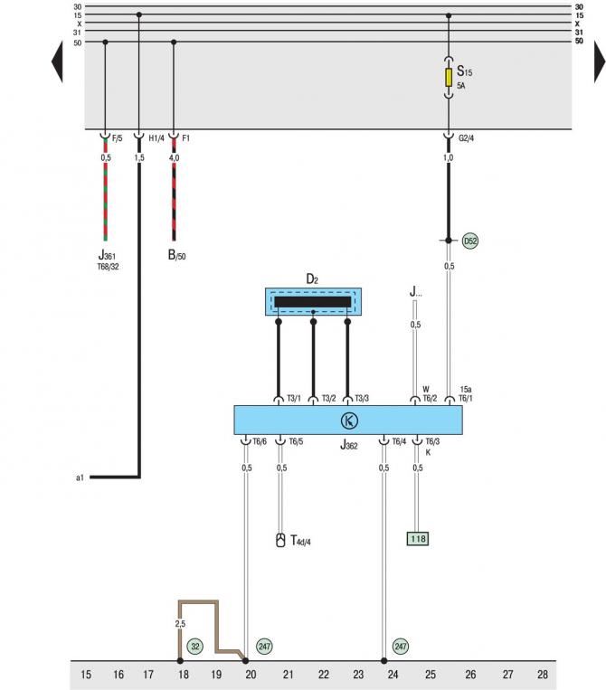
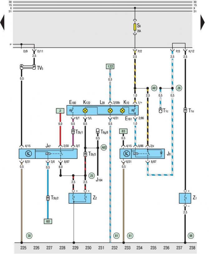
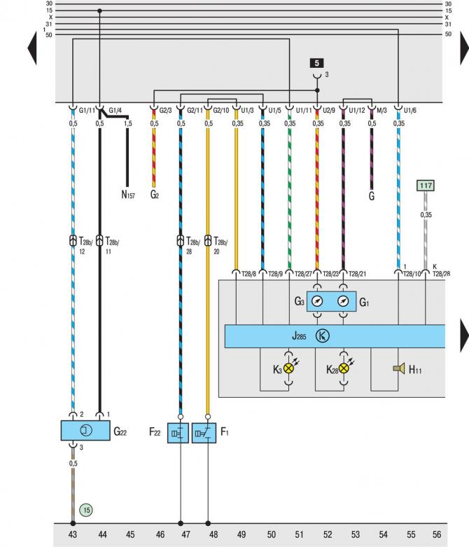
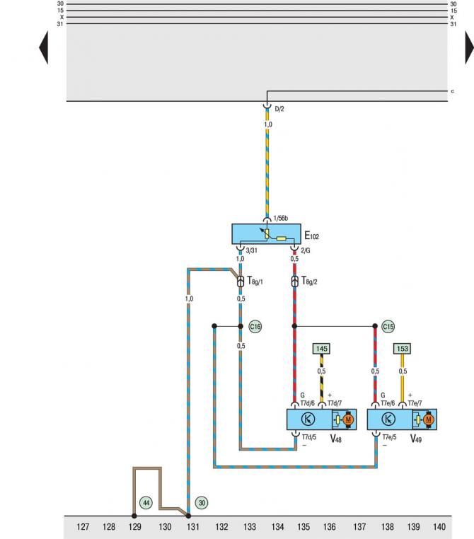
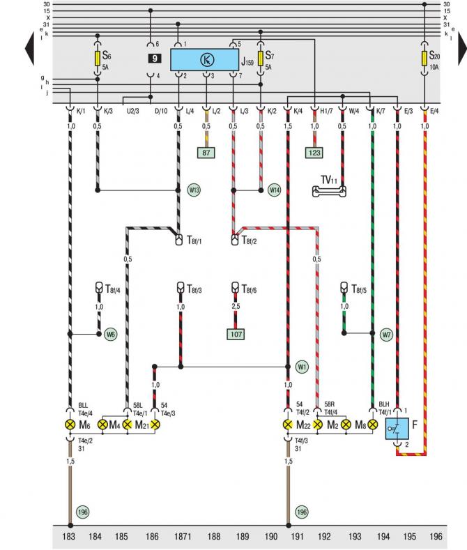
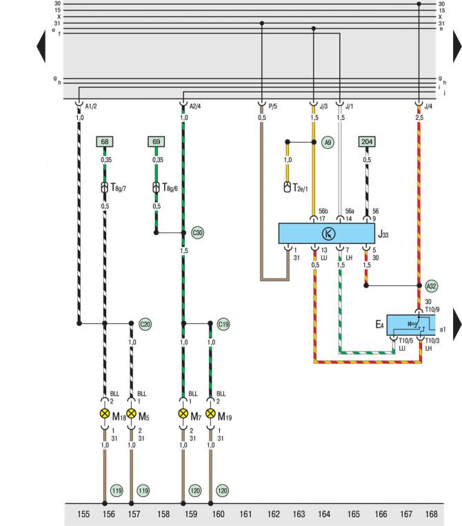
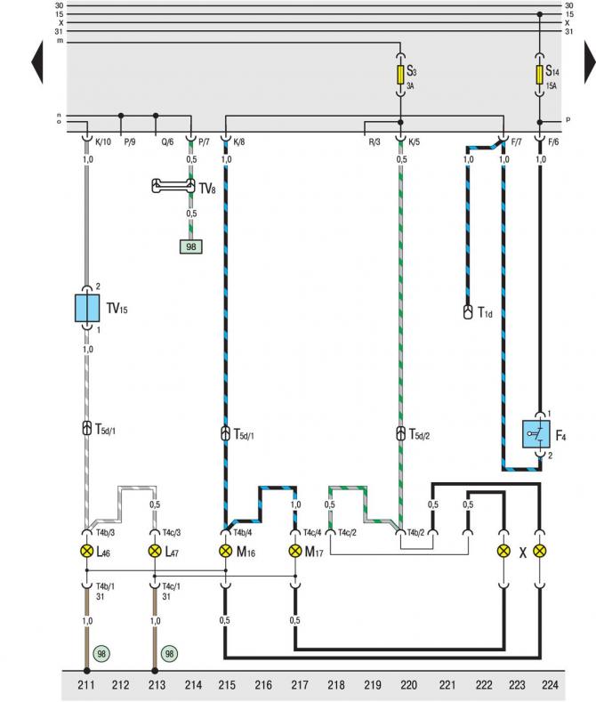
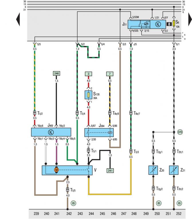
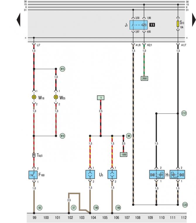
Условные обозначения к электрическим схемам смотрите здесь →

Условные обозначения к электрическим схемам смотрите здесь →


Условные обозначения к электрическим схемам смотрите здесь →


Условные обозначения к электрическим схемам смотрите здесь →


Условные обозначения к электрическим схемам смотрите здесь →


Условные обозначения к электрическим схемам смотрите здесь →


Условные обозначения к электрическим схемам смотрите здесь →


(Смотрите оригинал на веб-сайте: vwmanual.ru)


Условные обозначения к электрическим схемам смотрите здесь →


Условные обозначения к электрическим схемам смотрите здесь →


Условные обозначения к электрическим схемам смотрите здесь →


Условные обозначения к электрическим схемам смотрите здесь →


Условные обозначения к электрическим схемам смотрите здесь →


Условные обозначения к электрическим схемам смотрите здесь →


Условные обозначения к электрическим схемам смотрите здесь →


Условные обозначения к электрическим схемам смотрите здесь →


Условные обозначения к электрическим схемам смотрите здесь →


Условные обозначения к электрическим схемам смотрите здесь →


Условные обозначения к электрическим схемам смотрите здесь →


Условные обозначения к электрическим схемам смотрите здесь →

Эта статья доступна на английском, болгарском, белорусском, украинском, сербском, хорватском, румынском, польском, словацком, венгерском
Текст был проверен: Тарасов Иван

Поделитесь информацией:

Предыдущие статьи
Условные обозначения к электрическим схемам
Следующие статьи
Электросхемы для Volkswagen Sharan с двигателем 2,8 л VR6
Электросхемы для Volkswagen Sharan с турбодизелем


Похожие статьи из других мануалов для автомобилей VW:
Компоновка автомобиля «Volkswagen Passat» Пассат B2 (1981-1988)
Последовательность выпуска моделей Volkswagen Golf, Jetta,… Гольф 1 (1974-1984, бензин)
Навесные детали а/м в спецкомплектации Volkswagen Individual Тигуан 1 (2007-2015)
Базовая регулировка тормоза заднего колеса Транспортер Т4 (1990-2003)
Ссылка на эту страницу в разных форматах
HTMLTextBB Code


Комментарии посетителей


Еще нет комментариев


Сколько будет 48 + 14 =

       





Шаран 1 
  • Общая информация
  • Введение в руководство
  • Техническое обслуживание
  • Бензиновые двигатели
  • Ремонт двигателя 2.8 л (AAA)
  • Ремонт двигателя 2.0 л (ADY)
  • Система смазки
  • Система охлаждения
  • Система впрыска топлива
  • Система зажигания
  • Дизельные двигатели
  • Ремонт двигателей
  • Система смазки
  • Система охлаждения
  • Система питания
  • Трансмиссия
  • Сцепление
  • Механическая коробка и валы
  • Шасси
  • Рулевое управление
  • Подвеска автомобиля
  • Тормозная система
  • Электрооборудование
  • Оборудование и приборы
  • Силовые устройства
  • Электрические схемы
Анекдот про автомобили
читать следующий
VWmanual.ru © 2016-2025 | Мобильная версия | Новости и статьи | Карта сайта: EN BG BY UA RS HR RO PL SK HU | Написать письмо | Поиск по сайту
Пассат B2 • Пассат B3 • Пассат B4 • Пассат B5 • Пассат B6 • Гольф 1, дизель • Гольф 1, бензин • Гольф 2, бензин • Гольф 2 • Гольф 3 • Гольф 4 • Гольф 5 • Поло 3 • Поло 4 • Туарег 1 • Тигуан 1 • Шаран 1 • Транспортер Т3 • Транспортер Т4 • ЛТ 28/35 • Жук • Кадди 3 • Автоновости компании VW • Начинающему автомобилисту • Сгорание в поршневых моторах • Карбюраторы фирмы Pierburg • Ремонт и обслуживание моторов