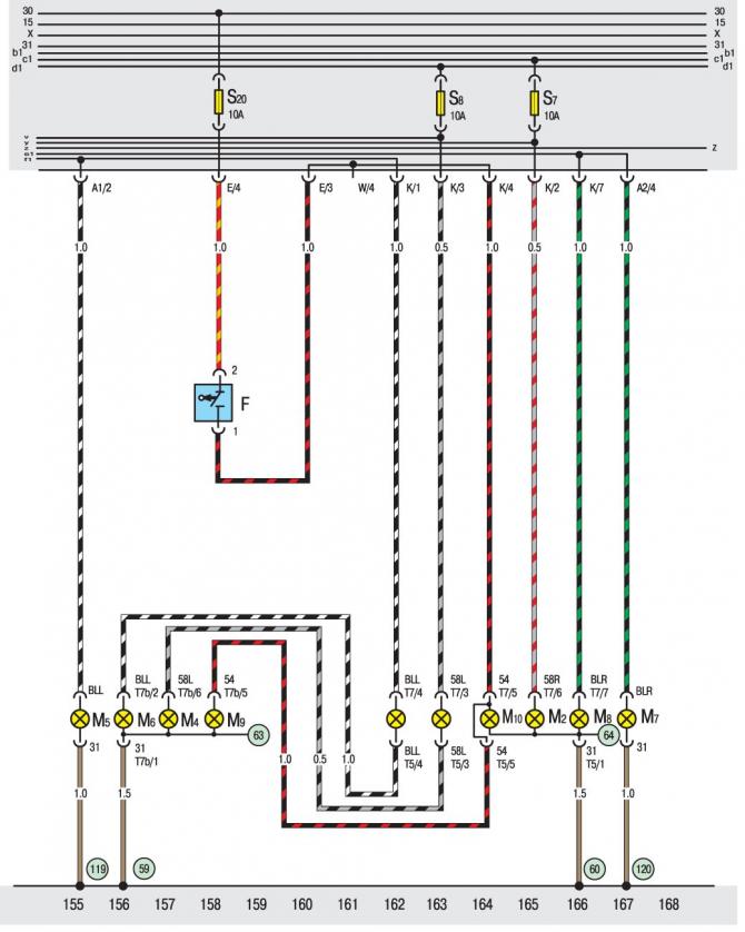
Указатели поворота, задние фары

- F. Переключатель стоп-сигналов
- М2. Лампа левого габаритного огня
- М4. Лампа правого габаритного огня
- М5. Лампа указателя поворотов, передняя левая
- М6. Лампа указателя поворотов, задняя левая
- М7. Лампа указателя поворотов, передняя правая
- М8. Лампа указателя поворотов, задняя правая
- М9. Лампа левого стоп-сигнала
- М10. Лампа правого стоп-сигнала
- Т5. Пятиконтактный разъем около правой задней фары
- Т7. Семиконтактный разъем около правой задней фары
- Т7b. Семиконтактный разъем около левой задней фары
- 60. Точка подключения к массе около правой задней фары
- 63. Точка подключения к массе на держателе ламп левой задней фары габаритного огня
- 64. Точка подключения к массе на держателе ламп правой задней фары
- 119. Точка подключения к массе «1» в жгуте системы регулировки фар
- 120. Точка подключения к массе «2» в жгуте системы регулировки фар

Комментарии посетителей