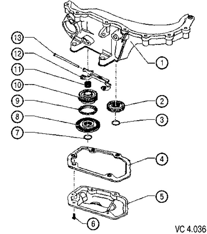
1. Картер КПП
2. Шестерня 5-й передачи
3. Стопорное кольцо (заменяется новым)
4. Прокладка
5. Крышка картера КПП
6. Винт 5 Нм + 90° (заменяется новым)
7. Стопорное кольцо (заменяется новым)
8. Ступица муфты включения передачи
9. Блокировочное кольцо синхронизатора
10. Муфта синхронизатора
11. Игольчатый подшипник
12. Вилка включения 5-й передачи
13. Ось вращения

Комментарии посетителей